MACOM CMPA5259025S 40W GaN MMIC Power Amplifier
MACOM CMPA5259025S 40W 5.0GHz to 6.0GHz GaN MMIC Power Amplifier offers superior properties to silicon or gallium arsenide. The GaN technology allows greater power density and wider bandwidths compared to Si and GaAs devices. The CMPA5259025S MMIC utilizes a two-stage reactively matched amplifier design that enables wide bandwidths to be achieved in a small footprint while maintaining high gain and efficiency.The MACOM CMPA5259025S 40W GaN MMIC Power Amplifier operates at 28V, with a 40W pulsed output power designed primarily for use as an output stage for highly integrated AESA radar-type architectures. Additionally, the high gain makes the CMPA5259025S ideal as a drive stage for a multi-device line-up using the MACOM high-power IMFETs as the final stage.
Features
- >53% typical power-added efficiency
- 29dB small signal gain
- 40W typical PSAT
- Operation up to 28V
- High breakdown voltage
- High-temperature operation
Applications
- Pulsed and CW S-band radar
- Civil
- Military
Specification Chart
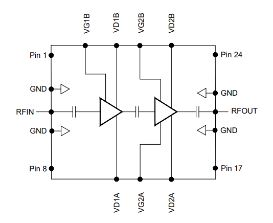
Application Schematic
Publicerad: 2021-09-13
| Uppdaterad: 2024-01-17
