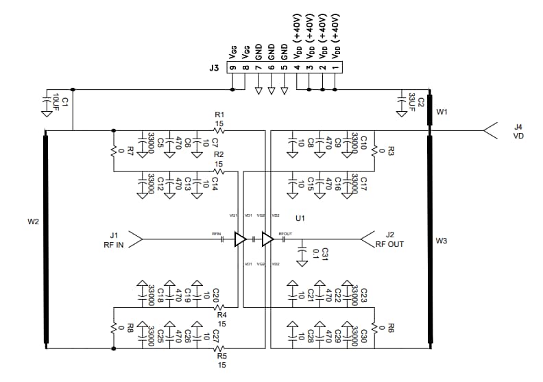
MACOM CMPA5259080S-AMP1 Test Board
MACOM CMPA5259080S-AMP1 Test Board is configured to evaluate the CMPA5259080S GaN MMIC power amplifier. The CMPA5259080S features 29dB small-signal gain, 110W typical PSAT, and an operation up to 40V. The MACOM CMPA5259080S-AMP1 Test Board includes the CMPA5259080S amplifier.Features
- >48% typical power-added efficiency
- 29dB small signal gain
- 110W typical PSAT
- Operation up to 40V
- High breakdown voltage
- High-temperature operation
Demonstration Amplifier Schematic
Publicerad: 2022-05-25
| Uppdaterad: 2024-01-18
