MaxLinear MxL8343x Quad RS-485/422 Receivers
MaxLinear MxL8343x Quad RS-485/422 Receivers are designed to support up to 80Mbps communication in harsh industrial environments. These devices feature a 3.3V to 5V supply voltage range, 128 bus nodes, and an extended operation common-mode range of ±15V. The bus pins tolerate IEC Electrical Fast Transients (EFT) and IEC Electrostatic Discharge (ESD). The MxL8343x receivers meet or exceed the requirements of the TIA/EIA-485A and EIA/TIA-422B standards. These receivers provide glitch-free power-up/power-down for hot swap capability and fail-safe open receiver (Rx) inputs. The MxL8343x receivers offer low channel-to-channel propagation delay skew to ensure maximum system performance. Typical applications include level translators, smart grid, telecommunication equipment, industrial transport, high-performance motor drives, and industrial and process control equipment.Features
- Meets or exceeds the requirements of the TIA/EIA-485A and EIA/TIA-422B standards
- Supply voltages:
- 3.3V to 5V (MxL83435 and MxL83436)
- 5V (MxL83437 and MxL83438)
- Extended operation common-mode range of ±15V
- Fail-safe open receiver (Rx) inputs
- 1/4 unit load (128 bus nodes)
- Glitch-free power-up/power-down for hot swap capability
- Low channel-to-channel propagation delay skew
- Available in global or paired enable configurations
- -40°C to 125°C extended operating temperature range
- High data rates:
- up to 65Mbps (MxL83435 and MxL83436)
- Up to 80Mbps (MxL83437 and MxL83438)
- Robust system protections:
- ±4kV EFT (IEC 61000-4-4)
- ±12kV ESD Contact (IEC 61000-4-2)
- ±15kV ESD Human Body Model (HBM)
Applications
- Industrial and process control equipment
- Level translators
- Telecommunication equipment
- High-performance motor drives
- Smart grid
- Industrial transport
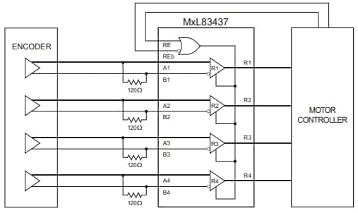
Typical Application Schematic
Performance
Additional Resources
Publicerad: 2025-06-24
| Uppdaterad: 2025-07-02
