Micro Commercial Components (MCC) SICW400N170A 1700V SiC MOSFET
Micro Commercial Components (MCC) SICW400N170A 1700V SiC MOSFET features 400mΩ ultra-low on-resistance and helps in minimizing conduction losses and ramping up energy efficiency in power applications. This SiC MOSFET exhibits exceptional thermal stability and can operate at a high junction temperature (up to +175°C), ensuring reliable operation in harsh and challenging conditions. The high blocking voltage capability of 1700V and low capacitance enable high-speed switching, improving performance in frequency-sensitive applications. The SICW400N170A MOSFET is available in a durable TO-247AB package that is suitable for diverse power system designs and applications. Typical applications include solar inverters, Power Factor Correction (PFC), EV charging stations, high-efficiency power supplies for PCs and servers, and renewable energy systems.Features
- High blocking voltage capability (1700V)
- Ultra-low on-resistance (400mΩ) enhances efficiency
- Low capacitance enables faster switching
- SiC MOSFET technology
- Excellent thermal stability
- High operating junction temperature (to 175°C)
- -55°C to 175°C operating junction temperature range
- Standard TO-247AB package
- Halogen-free “Green” device
- Epoxy meets UL 94 V-0 Flammability eating
- Lead-free finish/RoHS-compliant
Applications
- Industrial:
- High-voltage power converters
- EV charging stations
- Welding equipment
- Renewable energy:
- Solar energy systems
- Energy Storage Systems (ESS)
- Computing:
- Uninterruptible Power Supplies (UPS)
- High-efficiency power supply units for PCs and servers
- Base station power supplies
- Network power management systems
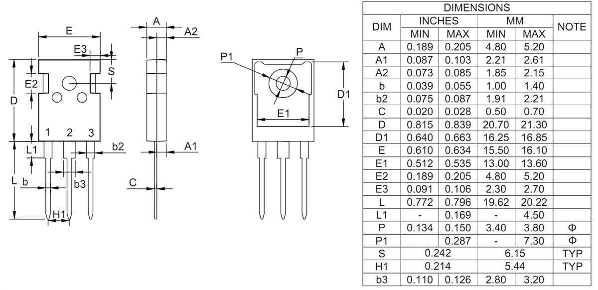
Dimensions
Publicerad: 2024-02-29
| Uppdaterad: 2024-03-28
