Menlo Micro MM5622 64Gbps Differential Loopback Switch
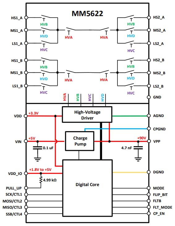
Menlo Micro MM5622 High-speed Differential Loopback Switch (DC coupled) supports differential signal switching required by the latest PCIe Gen 5, Gen 6, SerDes, and other standards. The switch can operate at 64Gbps with a 20GHz bandwidth and features low insertion loss, fast switching speed, and more than 3 billion switching cycles. The Menlo Micro MM5622 Switch is a system-in-package (SiP) that integrates the switch driver and charge pump. A host processor, through SPI or GPIO interfaces, controls the process.Features
- DC to 20GHz range
- Differential dual DP3T switch with loopback
- Normally open, reflective actuator
- -1.1dB at 16GHz low insertion loss
- Greater than 3 billion switching operations
- Integrated charge pump and driver eliminates the requirement for external biasing and driver circuitry
- Fully controllable ports for low, medium, and high data rate signal routing
- 8.2mm x 8.2mm LGA package
Applications
- Automated test equipment
- Measurement equipment
- Semiconductor final package test
- Compliance and loopback test
- High-speed data digital component testing
- Optical-electrical module testing
- High-speed signal routing
- TE Device Interface Boards
- Optical-electrical module testing
- Differential switch matrices
Functional Block Diagram
Publicerad: 2025-10-21
| Uppdaterad: 2025-10-30
