Mikroe MIKROE-2004 Fan click
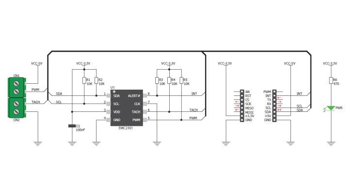
Mikroe MIKROE-2004 Fan click features the Microchip EMC2301 RPM-Based PWM Fan Controller for powering and regulating the operation of 5V four-wire fans. These fans are commonly used to cool computers and other electronics. The controller supports PWM speeds from 9.5Hz to 29KHz, in four programmable frequency bands.The Fan click has an internal clock for regulating the fan RPM. Control algorithms and the clock inside the circuit allow for fan RPM regulation with 1% accuracy in the 500-16k RPM range. The TACH pin gives feedback on the fan's operation.
Fan click also incorporates detection of aging fans, and alert on fan stall. The fan driver will attempt to fix a stalled fan while sending the interrupt. These alerts are sent through the mikroBUS™ INT pin. Otherwise, the Fan click communicates with the target MCU through an I2C interface.
Features
- Microchip EMC2301 RPM-Based PWM Fan Controller
- Internal clock for regulating RPM of fan
- Interrupt pin for alerting of stalled and stuck fans
- 3.3V or 5V power supply
- High accuracy (1% in 500-16k RPM range)
- Supports PWM speeds from 9.5Hz to 29KHz
- Ready-to-use examples save development time
- Supported in all Mikroe compilers
Applications
- Controlling 4-wire fans inside various electronics
Schematic
Videos
Publicerad: 2016-08-24
| Uppdaterad: 2022-03-11
