Mikroe PIXI™ Click Board
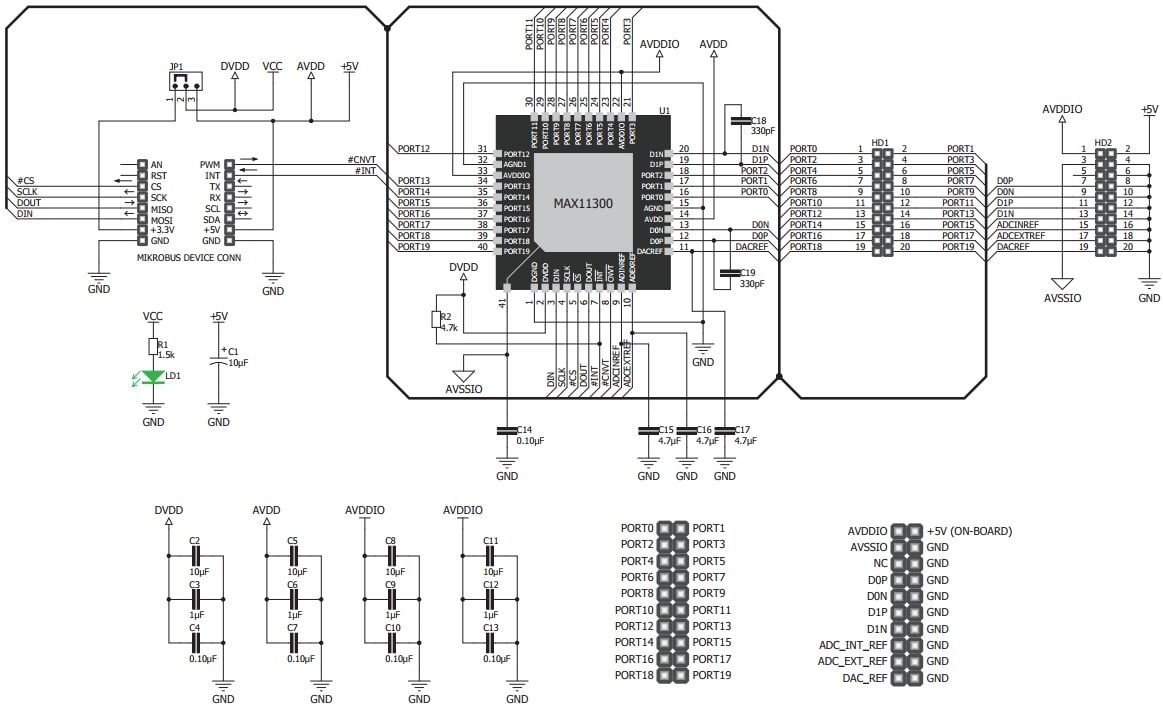
Mikroe PIXI™ Click Board is designed for mixed-signal applications that require both analog and digital functions. Mikroe PIXI is an abbreviation for the Programmable mIXed signal In/Out, a technology that allows very flexible routing of both digital and analog signals. This click board is equipped with MAX11300 IC, a 20-channel mixed-signal data converter, which allows flexible routing of both digital and analog signals. Each mixed-signal port of the MAX11300 IC can be independently configured as an ADC input, a DAC output, or an analog switch terminal. This PIXI click board features a 12-bit multichannel SAR ADC, buffered DAC, and temperature sensors for tracking the junction and environmental temperatures. The PIXI click board is ideal for monitoring and adjusting the bias on the power amplifiers, automatic fan speed controllers, and digital level shifters.Features
- MAX11300 20-channel mixed-signal data converter
- Single IC allows realization of many mixed signal applications
- Wide range of input and output voltages
- Interfaces
- General purpose input/output (GPIO)
- Serial peripheral interface (SPI)
- 4.75V to 5.25V analog power supply voltage (AVDD)
- 2.50V to 5.50V digital power supply voltage (DVDD)
- 15.75V external supply positive voltage (AVDDIO)
- 12V external supply negative voltage (AVSSIO)
- Power LED indicator
- -40°C to +150°C operating temperature range
Applications
- Digital level shifters
- Automatic fan speed controllers
- Monitoring and adjusting the bias on power amplifiers
Overview
Schematic
Publicerad: 2018-01-19
| Uppdaterad: 2022-07-28
