Mini-Circuits ZX60-63GLN+ Low Noise Coaxial Amplifier
Mini-Circuits ZX60-63GLN+ Low Noise Coaxial Amplifier provides a unique combination of low noise figure, high IP3, and flat gain over a very wide 1.8GHz to 6.0GHz frequency range. Mini-Circuits ZX60-63GLN+ supports a wide range of sensitive, high-dynamic-range receiver applications and is ideal for systems where high performance over wideband is needed. This device operates on a single 5V supply and comes in a rugged, compact unibody case with SMA connectors, making it an excellent candidate for tough operating conditions and crowded system layouts.Features
- 1.8GHz to 6.0GHz frequency range
- 0.8db typical low noise figure at 2.5GHz
- ±1.6dB typical gain flatness at 2.5GHz to 5.0GHz
- 29.8dB typical high gain at 2.5GHz
- 27.0dB typical high IP3 at 2.5GHz
- 5V operating voltage
- 67mA typical operating current
- -40°C to +85°C operating temperature range
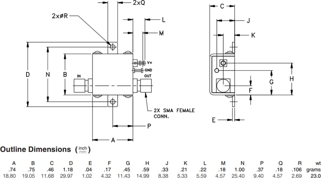
- Rugged, 0.74" x 0.75" x 0.46" unibody construction
- RoHS compliant
Applications
- 5G
- Wi-Fi®
- WLAN
- LTE
- UMTS
- WiMAX
- S-Band Radar
- C-Band Satcom
Technical Resources
Package Dimensions
Publicerad: 2020-06-30
| Uppdaterad: 2024-05-13
