Monolithic Power Systems (MPS) EV3314-R-00A Evaluation Board
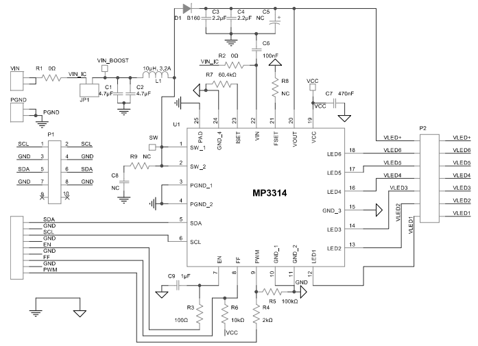
Monolithic Power Systems (MPS) EV3314-R-00A Evaluation Board is designed to demonstrate the capabilities of the MP3314 boost converter with a six-channel current source. This evaluation board operates from a 3V to 30V input voltage (VIN) range and supports up to 43V output voltage (VOUT). The EV3314-R-00A evaluation board offers 60mA per channel maximum LED current (ILED) (RISET=50kΩ (ISET_EN=1b) and IMAX[2:0]=111b). This evaluation board includes safety functions such as LED open protection, LED short protection, Over-Current Protection (OCP), Over-Voltage Protection (OVP), and Over-Temperature Protection (OTP).Features
- Demonstrate the capabilities of the MP3314
- 3V to 30V input voltage (VIN) range
- Supports up to 43V output voltage (VOUT)
- 60mA per channel maximum LED current (ILED) (RISET=50kΩ (ISET_EN=1b) and IMAX[2:0]=111b)
- Over-Current Protection (OCP)
- Over-Voltage Protection (OVP)
- Over-Temperature Protection (OTP)
- 6.5cm x 4.8cm x 2cm dimensions
Schematic Diagram
Board Overview
Publicerad: 2024-02-23
| Uppdaterad: 2024-06-11
