Monolithic Power Systems (MPS) EV6508A Bipolar Stepper Evaluation Board
Monolithic Power Systems (MPS) EV6508A Bipolar Stepper Evaluation Board evaluates the MP6508A bipolar stepper motor driver. The MP6508A features dual full bridges with N-channel power MOSFETs. The MP6508A operates from 2.7V to 18V and delivers up to 1.2A output current per channel. Safety features include over-current protection, under-voltage lockout, and thermal shutdown.Features
- Wide 2.7V to 18V input voltage (VIN) range
- 2x internal full-bridge drivers
- Low on-resistance (RDS(ON)): 250mΩ High-Side MOSFET (HS-FET) and Low-Side MOSFET (LS-FET)
- Internal charger pump for the High-Side (HS) driver
- Low 1.6mA quiescent current (IQ)
- Low 1μA sleep current
- Over-Current Protection (OCP)
- Thermal shutdown
- Under-voltage Lockout (UVLO) protection
- Fault indication output
- Thermally enhanced surface-mount package
- Available in a QFN-16 (3mm x 3mm) package
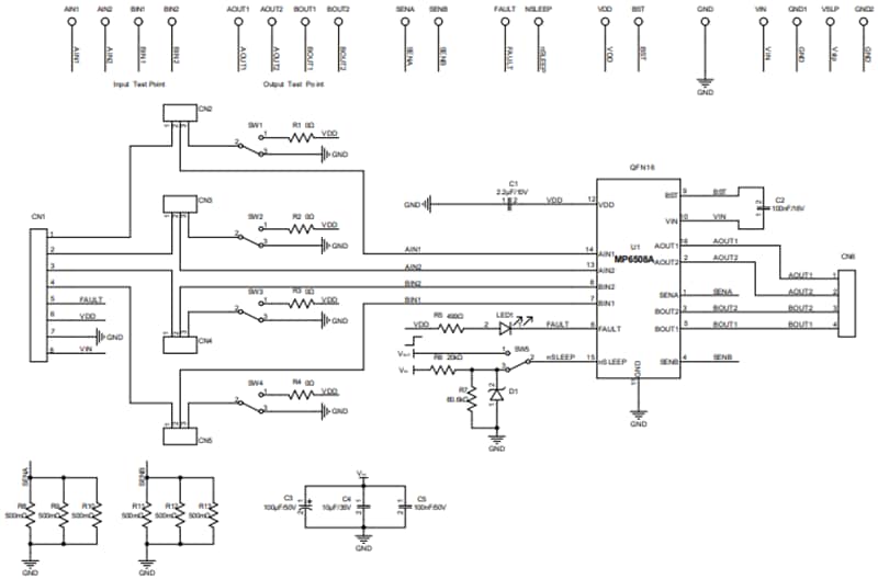
Schematic
Publicerad: 2024-03-26
| Uppdaterad: 2024-04-23
