Monolithic Power Systems (MPS) EVL5475-U-00B Evaluation Board
Monolithic Power Systems (MPS) EVL5475-U-00B Evaluation Board is designed to demonstrate the capabilities of the MP5475, a complete Power Management IC (PMIC). This evaluation board features a 3V to 16V input voltage range, 6A single-phase maximum output current, and 12A dual-phase maximum output current. The protection functions include Under-Voltage Lock-Out (UVLO), Over-Current Protection (OCP), Under-Voltage Protection (UVP), and thermal shutdown. The EVL5475-U-00B evaluation board is ideal for storage and networking, enterprise Solid-State Drives (SSDs), and general enterprise.Features
- Wide 3V to 16V input voltage range
- Adaptive Constant-On-Time (COT) control for ultra-fast transient response
- 6A single-phase maximum output current
- 12A dual-phase maximum output current
- 87.5% single-phase full load efficiency
- 88% single-phase peak efficiency
- 86.5% dual-phase full load efficiency
- 88% dual-phase peak efficiency
Applications
- Storage and networking
- Enterprise Solid-State Drives (SSDs)
- General enterprise
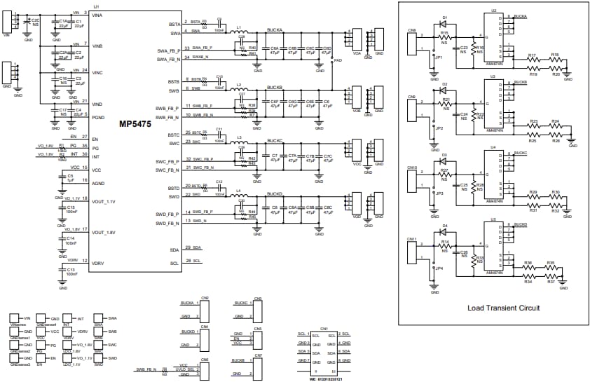
Schematic Diagram
Publicerad: 2024-10-29
| Uppdaterad: 2024-11-14
