Monolithic Power Systems (MPS) MP4835A 32-Channel High-Voltage Analog Switch

Monolithic Power Systems (MPS) MP4835A 32-Channel High-Voltage Analog Switch is a single-pole, single-throw (SPST) analog switch with integrated output bleed resistors. The MP4835A is optimized for medical ultrasound imaging applications and can also be used for non-destructive testing (NDT) applications. The MP4835A can multiplex high transmission voltages to the selected piezoelectric transducer (PZT) and can multiplex the small analog echo signal to the selected receiver.

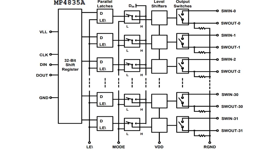
The output switches of the MP4835A are controlled by a 32-bit serial shift register, followed by a 32-bit data latch. A data out (DOUT) pin is provided to allow for multiple devices to be cascaded together. This design helps minimize the number of input/output (I/O) control lines. A logic high signal in the data latch turns the corresponding analog switch on, whereas a logic low signal turns it off.

The MP4835A does not require high-voltage negative or positive supplies. Only two low-voltage supplies are required (3.3V and 5.0V). The device can block or pass analog voltages up to ±100V with peak currents of up to ±1.8A.

The Monolithic Power Systems (MPS) MP4835A 32-Channel High-Voltage Analog Switch is available in a QFN-72 package.

Features

  • Integrated output bleed resistor
  • No high-voltage supplies required
  • 32 channels
  • Up to ±100V analog signals
  • 14Ω typical switch resistance
  • ±1.8A typical switch peak current
  • -66dB off-isolation at 5MHz
  • 60MHz clock frequency
  • 5V bias supply
  • 6.7W continuous power dissipation
  • -25°C to +125° operating temperature range
  • 10mm x 10mm QFN-72 package

Applications

  • Medical ultrasound imaging
  • Non-destructive testing

Typical Application Circuit

Application Circuit Diagram - Monolithic Power Systems (MPS) MP4835A 32-Channel High-Voltage Analog Switch

Block Diagram

Block Diagram - Monolithic Power Systems (MPS) MP4835A 32-Channel High-Voltage Analog Switch

Package Outline

Mechanical Drawing - Monolithic Power Systems (MPS) MP4835A 32-Channel High-Voltage Analog Switch
Publicerad: 2022-10-10 | Uppdaterad: 2022-11-30