Monolithic Power Systems (MPS) MPQ18913 High-Frequency Transformer Driver

Monolithic Power Systems (MPS) MPQ18913 High-Frequency Transformer Driver is ideal for use as the primary-side MOSFET in isolated power supplies for biasing silicon carbide (SiC) field-effect transistors (FETs), silicon FETs, and insulated gate bipolar transistors (IGBTs). The MPQ18913 simplifies an isolated biased supply’s design by integrating the control, switching power stage, and protection circuitry in one device. This typology supports designs with a high isolation voltage and small interwinding capacitance.

The MPQ18913 features soft switching and an optional frequency spread spectrum (FSS) to optimize EMI performance. It supports a wide 5V to 30V input voltage (VIN) range and can survive surges of up to 50V. It also integrates two switching MOSFETs rated for 300mA of average input current (IIN).

The device has a wide 400kHz to 5MHz configurable switching frequency (fSW) range, which reduces the solution size and optimizes efficiency in resonant topologies (e.g., LLC converters). Full safety and protection features include input over-voltage protection (OVP), over-current protection (OCP), and fault indication. The built-in soft start (SS) controls the inrush current during start-up. The Monolithic Power Systems (MPS) MPQ18913 is available in a QFN-10 (2mm x 2.5mm) package with wettable flanks.

Features

  • Advanced protection features
    • Over-Current Protection (OCP)
    • Short-Circuit Protection (SCP)
    • Over-Voltage Protection (OVP)
    • Over-Temperature Protection (OTP)
    • Fault reporting
    • Under-Voltage Lockout (UVLO)
    • Supports up to 5kV isolation voltage
  • Small solution size
    • 400kHz to 5MHz configurable switching frequency (fSW)
    • Available in a tiny QFN-10 (2mm x 2.5mm) package with wettable flanks
  • Low EMI
    • Soft switching
    • Flip-chip package
    • Frequency Spread Spectrum (FSS) option
    • Low interwinding capacitance

Applications

  • Silicon Carbide (SiC) transformer driver-biased supplies
  • Automotive traction inverters and Onboard Charging (OBC)
  • DC fast-charging stations
  • Uninterrupted Power Supplies (UPSs) and solar inverters
  • Isolated power supplies

Videos

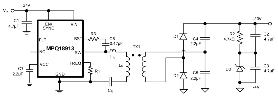
Typical Application

Application Circuit Diagram - Monolithic Power Systems (MPS) MPQ18913 High-Frequency Transformer Driver
Publicerad: 2024-11-08 | Uppdaterad: 2024-11-18