Monolithic Power Systems (MPS) MPQ2246 AEC-Q100 Synchronous Buck Converters

Monolithic Power Systems (MPS) MPQ2246 AEC-Q100 Synchronous Buck Converters are configurable-frequency (300kHz to 2.2MHz), synchronous step-down converters. The MPQ2246 devices can achieve up to 6A of continuous output current (IOUT) with peak current control for excellent transient response and efficiency performance. The MPQ2246 operates from a 2.7V to 6V input voltage (VIN) range and generates an output voltage (VOUT) as low as 0.606V. The MPS MPQ2246 AEC-Q100 Synchronous Buck Converters are ideal for a wide range of applications, including automotive infotainment, clusters, telematics, and portable instruments.

The MPQ2246 integrates a 35mΩ high-side MOSFET (HS-FET) and a 25mΩ synchronous rectifier for high efficiency without an external Schottky diode. The components can be configured for advanced asynchronous modulation (AAM) mode or forced continuous conduction mode (FCCM) at light loads. AAM mode provides high efficiency by reducing switching losses at light loads, while FCCM has a controllable frequency and a lower output ripple.

The MPS MPQ2246 offers standard features, including soft start (SS), enable (EN) control, and a power good (PG) indicator. In addition, the devices provide over-current protection (OCP) with valley current detection to avoid current runaways, short-circuit protection (SCP), reliable over-voltage protection (OVP), and auto-recovery thermal protection. With internal compensation, the MPQ2246 requires a minimal number of readily available, standard external components. The MPQ2246 is available in a QFN-9 (3mm x 3mm) package and is AECQ100-qualified. 

Features

  • Low-ohmic MPS BCD FET technology
  • Reduces board size and BOM
    • Integrated compensation network
    • Available in a small QFN-9 (3mm x 3mm) package
  • Adjustable output voltage (VOUT) from 0.606V
  • High-efficiency synchronous mode control
  • Up to 2.2MHz configurable frequency
  • Low current in shutdown mode
  • 100% duty cycle operation
  • Selectable Advanced Asynchronous Modulation (AAM) mode or Forced Continuous Conduction Mode (FCCM)
  • External Soft Start (SS)
  • Remote Enable (EN) control
  • Power Good (PG) indicator
  • Cycle-by-cycle Over-Current Protection (OCP)
  • Short-Circuit Protection (SCP)
  • VIN Under-Voltage Lockout (UVLO)
  • VOUT Over-Voltage Protection (OVP)
  • Thermal shutdown
  • Available in a wettable flank package
  • AEC-Q100 Grade 1

Applications

  • Automotive
    • Infotainment
    • Clusters
    • Telematics
  • Portable instruments
  • Industrial supplies
  • Battery-powered devices

Typical Application

Application Circuit Diagram - Monolithic Power Systems (MPS) MPQ2246 AEC-Q100 Synchronous Buck Converters

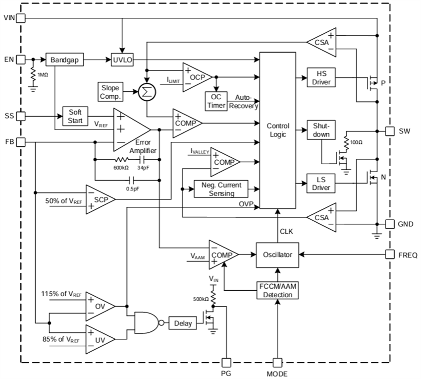
Functional Block Diagram

Block Diagram - Monolithic Power Systems (MPS) MPQ2246 AEC-Q100 Synchronous Buck Converters
Publicerad: 2025-01-03 | Uppdaterad: 2025-01-14