Nexperia SOT8009 Surface-Mounted Package Products
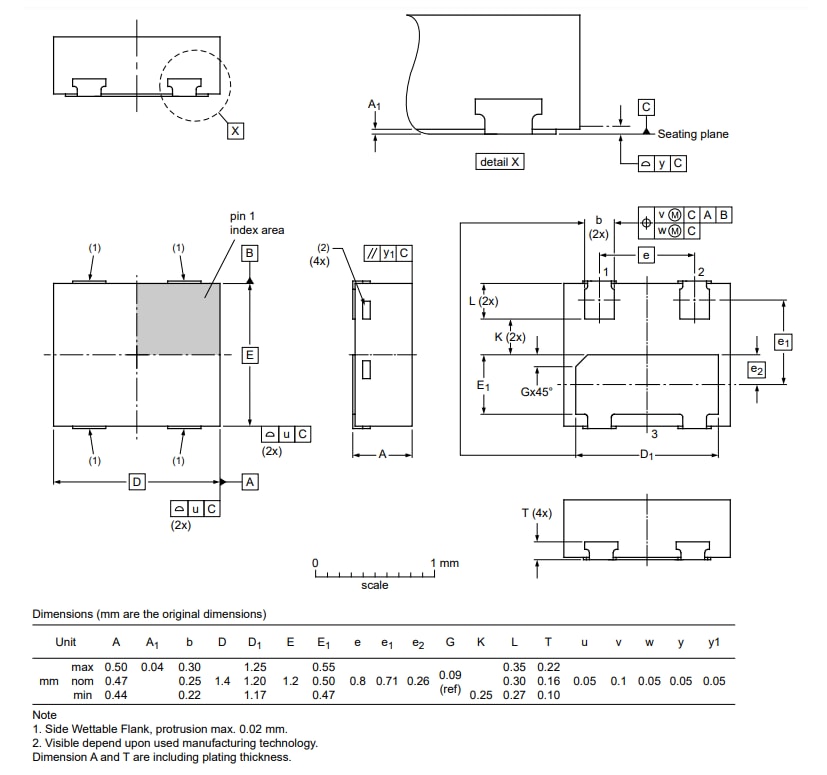
Nexperia SOT8009 Surface-Mounted Package Products offer a plastic, leadless ultra small outline package with side-wettable flanks (SWF). The SOT8009 package features three terminals, a 0.8mm pitch with a 1.4mm x 1.2mm x 0.48mm body. The SOT8009 products use a DFN1412D-3 descriptive code and a USON (ultra thin small outline; no leads) package style. The Nexperia SOT8009 Surface-Mounted Package Products support a 2mm x 1.7mm footprint and a 3.4mm2 footprint area.
Features
- B (bottom) Terminal position code
- DFN1412D-3 Package type descriptive code
- DFN1412D-3 Package type industry code
- USON (ultra thin small outline; no leads) Package style descriptive code
- P (plastic) Package body material type
- MO-340CA JEDEC package outline code
- S (surface mount) Mounting method type
- No package outline detail graphic references
- 6-12-2019 Issue date
- SOT8009 Manufacturer package code
- 2mm x 1.7mm Footprint dimensions
- 3.4mm2 Footprint area
Package Summary
Videos
Package Outline
Publicerad: 2022-07-21
| Uppdaterad: 2025-12-18
