NXP Semiconductors MC33771 Li-ion Battery Cell Controller
NXP Semiconductors MC33771 Li-ion Battery Cell Controller is a 14-channel power management IC (PMIC) designed for automotive and industrial applications. NXP MC33771 Battery Cell Controller is ideal for use in hybrid electric vehicles (HEV), electric vehicles (EV), energy storage systems (ESS), and uninterruptible power supply (UPS) systems.The MC33771 PMIC features analog-to-digital converter (ADC) conversions on the differential cell voltages and currents as well as coulomb counting and temperature measurements. The information is digitally transmitted through the SPI or transformer isolation (TPL) to a microcontroller for processing. Balancing transistors and diagnostics are integrated into the MC33771 to simplify application design.
With functional verification and diagnostics, the MC33771 Battery Cell Controller solution supports ISO 26262 SafeAssure® functional safety standards for the automotive industry.
Features
- 9.6V supply voltage ≤ VPWR ≤ 61.6V operation, 75V transient
- Advanced voltage and temperature measurement
- 14 cell voltage measurement channels
- Total stack voltage measurement
- 0.8mV maximum total voltage measurement error
- 7 ADC/GPIO/temperature sensor inputs
- Synchronized advanced current measurement
- Integrated current sensor with PGA
- ±0.5% accuracy from milliamps to kiloamps
- Integrated coulomb counter
- Isolated daisy chain or SPI communication
- 2.0Mbps, 2-wire twisted pair differential, isolated
- Addressable on initialization
- 4Mbps SPI
- Onboard passive balancing
- Onboard 300mA low RDSON passive cell balancing MOSFETs with diagnostics
- Balancing in sleep mode
- Programmable balancing timer for each MOSFET
- Diagnostics, functional safety, and robustness
- OV/UV, OT/UT, OC fault verification
- Sleep mode OV/UV, OT/UT monitoring
- Designed to support ISO 26262, up to ASIL D safety capability
- Hot-plug capable
- Qualified in compliance with AECQ-100
- Package
- 64-pin QFP
Applications
- 48V and high-voltage battery packs for HEV/EV
- High-voltage (>800V) battery management systems
- E-bikes and e-scooters
- ESS
- UPS systems
Application Diagram (SPI)
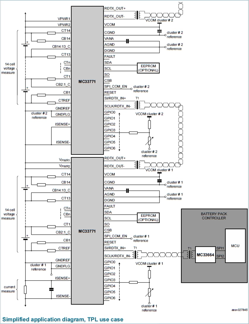
Application Diagram (TPL)
Publicerad: 2018-05-22
| Uppdaterad: 2024-09-09
