NXP Semiconductors PN5190 NFC Frontend

NXP Semiconductors PN5190 NFC Frontend is a highly integrated Near-Field Communication (NFC) forum-compliant Frontend IC for contactless communication at 13.56MHz. The PN5190 is well-suited for use in challenging RF and space-constrained environments such as POS terminals or e-Locks. The device features strong RF output power, adaptive wave-shaping features, and high receiver sensitivity, all while using efficient power-saving modes to extend battery life.

The high output power and receiver sensitivity of the PN5190 enables a wide communication range even with a small antenna, resulting in high performance in space-constrained designs. The wide temperature range of the device allows operation in industrial and outdoor environments. The robust RF interface and data rates up to 848kbit/s further meet the needs of eGov readers and application scenarios that rely on fast device-to-device communication. When used with ISO/IEC 15693 devices, the PN5190 Frontend provides fast sensor read-outs or firmware updates of up to 212kbit/s.

The PN5190 also delivers excellent noise immunity, even in applications that experience external disturbances to the RF field. The sophisticated analog power-supply design of the device further reduces receiver-signal disturbances, yielding a receiver sensitivity of 0.3mV rms. Adaptive Receiver Control (ARC) adjusts the receiver sensitivity to deliver better reception performance.

To simplify design, the PN5190 Frontend communicates with all FeliCa® and MIFARE® card products and implements CRYPTO in hardware for read/write of all MIFARE-based cards. IP licensing rights for NXP ISO/IEC 14443-A, Innovatron ISO/IEC 14443-B, and NXP MIFARE products are already included in the device.

The NXP Semiconductors PN5190 NFC Frontend is offered in VFBGA-64 and HVQFN-40 packages and features a wide -40°C to +105°C operating temperature range.

Features

  • NFC Forum-compliant NFC Frontend with support for all relevant 56MHz RF protocols, including peer-to-peer and card emulation mode
  • Transmitter with up to 2W RF output power
  • Adaptive Wave-Shaping (AWS) and Dynamic Power Control (DPC) 2.0  
  • Receiver with high sensitivity, noise immunity, and integrated EMD handling
  • Supported RF frame size of up to 1024 bytes without chaining
  • Ideal counterpart for NTAG® 5 communication (ISO/IEC 15693), supporting data rates up to 212kbit/s
  • Integrated low-noise DC-DC converter for single 3V supply at full RF output power
  • SPI host interface with speeds up to 15MHz
  • Ultra-low-power card detection and multiple battery-saving configurations are available
  • Automatic antenna tuning through variable capacitors
  • Overcurrent and overtemperature protection
  • External clock input of 24MHz, 32MHz, and 48MHz for access management applications
  • Robust communication for eGov applications with data rates up to 848kbit/s
  • Wide -40°C to +105°C operating temperature range
  • Package options
    • 4.5mm x 5.0mm VFBGA-64; 0.5mm pitch
    • 5.0mm x 5.0mm HVQFN 40; 0.4mm pitch
  • Suported RF protocols
    • Read/Write mode
      • ISO/IEC 14443 type A&B R/W support up to 848kbit/s
      • FeliCa R/W support up to 424kbit/s
      • NFC Forum tag type 1, 2, 3, 4, 5 reader
      • NFC Forum compliance for R/W – analog and digital
      • ISO/IEC 15693 reader (ICODE®)
      • Proprietary data rates based on ISO/IEC15693 with 106kbit/s and 212kbit/s for NTAG 5 communication
      • ISO/IEC 18000 EPC-HF reader (ICODE ILT)
      • EMVCo 3.0 (L1) with integrated EMD handling
    • Peer-to-Peer mode
      • Passive and active communication (initiator/target)
      • P2P supported for types: A (106kbit/s), F (212kbit/s, 424kbit/s)
      • Proprietary P2P mode for type A up to 848kbit/s
    • Card Emulation mode
      • ISO/IEC 14443 Type-A host card emulation with active load Modulation for longer communication distances

Applications

  • POS and mPOS terminals
  • Physical access control
  • Device  parametrization
  • eGovernment

Videos

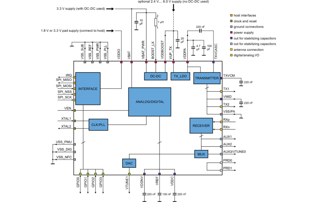
Block Diagram

Block Diagram - NXP Semiconductors PN5190 NFC Frontend
Publicerad: 2021-10-06 | Uppdaterad: 2022-03-11