onsemi NCD57090 & NCV57090 IGBT/MOSFET Gate Drivers
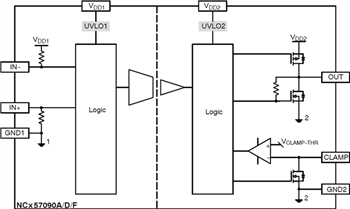
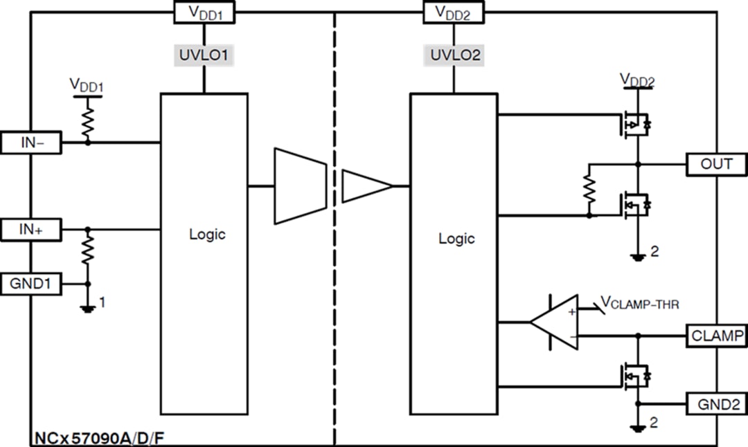
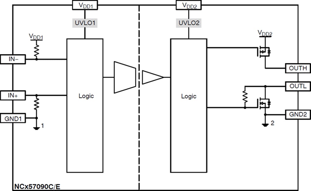
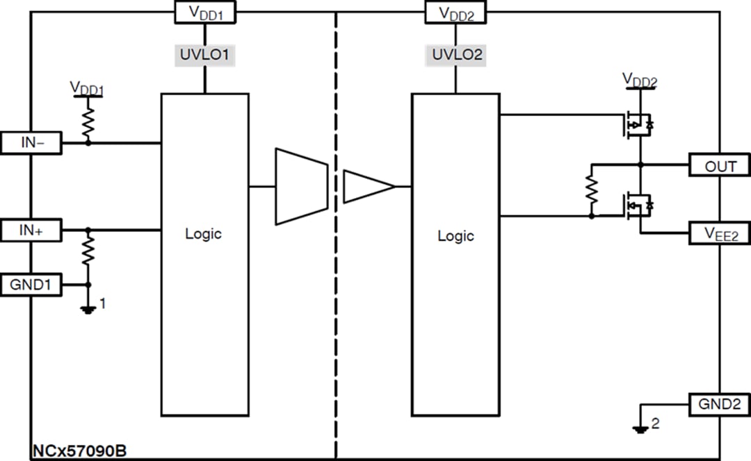
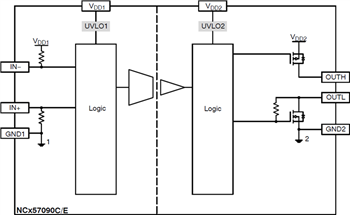
onsemi NCD57090 and NCV57090 IGBT/MOSFET Gate Drivers are high-current, single-channel gate drivers for IGBTs and MOSFETs, with 5kVrms internal galvanic isolation. The NCD57090 and NCV57090 provide high system efficiency and reliability in high-power applications. These devices accept complimentary inputs and, depending on the pin configuration, offer options such as Active Miller Clamp, negative power supply, and separate high and low (OUTH and OUTL) driver outputs for system design convenience. The NCD57090 and NCV57090 accommodate a wide range of input bias voltage and signal levels from 3.3V to 20.0V.The onsemi NCD57090 and NCV57090 IGBT/MOSFET Gate Drivers are offered in a compact SOIC-8 package. The NCV57090 is AEC-Q100 Qualified and PPAP capable for automotive applications.
Features
- AEC-Q100 qualified and PPAP capable (NCV57090 only)
- High +6.5A/-6.5A peak output current
- Low clamp voltage drop eliminates the need of a negative power supply to prevent spurious gate turn-on (Versions A, D, F)
- Short propagation delays with accurate matching
- IGBT/MOSFET gate clamping during short circuit
- IGBT/MOSFET gate active pull-down
- Tight UVLO thresholds for bias flexibility
- Wide bias voltage range including negative VEE2 (Version B)
- 3V, 5.0V, and 15.0V logic input
- 5kVrms galvanic isolation
- High transient immunity
- High electromagnetic immunity
- 150°C maximum junction temperature
- -40°C to +125°C operating temperature range
- SOIC-8 package
- Pb-free, Halogen/BFR-free, and RoHS compliant
Applications
- Automotive applications (NCV57090 only)
- Motor control
- Uninterruptible Power Supplies (UPS)
- Industrial power supplies
- Solar inverters
Pin Designations
Package Outline
Additional Resource
Publicerad: 2021-03-12
| Uppdaterad: 2024-03-05
