onsemi NCP51105 Single 2.6A Low-Side Gate Driver
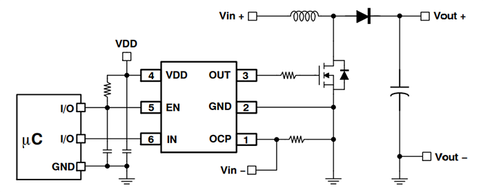
onsemi NCP51105 Single 2.6A Low-Side Gate Driver is a high-current driver designed to drive power MOSFETs and IGBTs. The logic input is compatible with CMOS and TTL output. The NCP51105 features an OCP pin that provides over-current protection with negative voltage detected across a switching current sensing resistor and an EN pin that can report faults status to an external controller such as an MCU. The EN pin must be pulled up to a higher voltage than the threshold for normal operation and pulled down to disable output in all fault conditions. Internal VDD circuitry provides an under-voltage lockout function by holding the output low until the supply voltage is recovered into the operating range, and the fault recovery time can be programmable by a time-constant set of resistance and capacitance connected to the EN pin.Features
- Wide operating voltage range up to 25V
- 2.6A peak sink/source
- Shorter than 50ns propagation delay time
- Over-current protection with negative voltage sensing
- Input logic compatible with a wide voltage range for TTL and CMOS
- Programmable fault clear time
- Under voltage lockout for MOSFET and IGBT
- -40°C to +125°C ambient temperature range
- TSOP-6 package
- Lead-free, Halide-free, and RoHS-compliant
Applications
- Switch-mode power supplies
- High-efficiency MOSFET switching
- Synchronous rectifier circuits
- DC-DC converters
- Motor control
Simplified Application
Internal Block Diagram
Publicerad: 2024-07-31
| Uppdaterad: 2024-08-13
