onsemi NCP81567 6+2 Phase Output Controller
onsemi NCP81567 6+2 Phase Output Controller is a two-rail, six plus two-phase buck solution optimized for Intel’s IMVP9.2 CPUs. The multi-phase rail control system is based on Dual-Edge pulse-width modulation (PWM) combined with DCR current sensing. This combination provides an ultra-fast initial response to dynamic load events and reduced system cost. The onsemi NCP81567 offers an ultra-low offset current monitor amplifier with programmable offset compensation for high-accuracy current monitoring.Features
- 4.5V to 21V input voltage range
- Startup into pre-charged loads while avoiding false OVP
- Digital soft start ramp
- Adjustable Vboot
- High impedance differential output voltage amplifier
- Dual VID table support to be compatible with IMVP9.2
- Supports high-current extensions
- Dynamic reference injection
- Programmable output voltage slew rates
- Dynamic VID feed-forward
- Differential current sense amplifiers for each phase
- Programmable Adaptive Voltage Positioning (AVP)
- Adjustable switching frequency range
- Digitally stabilized switching frequency
- Ultrasonic operation
- Supports acoustic noise mitigation function
- Support for VCCIN_AUX IMON input
- PSYS input monitor
- Meets Intel’s IMVP9.2 specifications
- Current mode dual edge modulation for fast initial response to transient loading
- QFN52 package, 6mm x 6mm
- Moisture Sensitivity Level (MSL) 1
- Lead-free and RoHS-compliant
Applications
- Desktop computers
- Notebooks
- Ultra-book computers
Specifications
- 4.75V to 5.25V VCC range
- 4.5V to 21V VIN supply range
- 0.1V to 3V output range
- ESD capability
- 200V human body model
- 750V charged device model
- 1.5ms minimum phase detect timer
- Temperatures
- -40°C to +125°C operating junction range
- -40°C to +100°C operating ambient range
- +260°C soldering
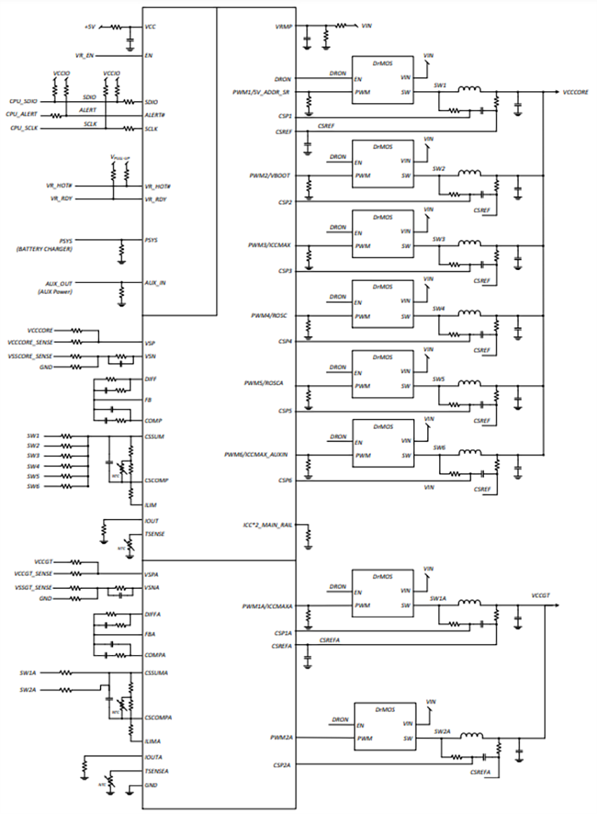
Internal Block Diagram
Typical Application Circuit
Publicerad: 2025-02-26
| Uppdaterad: 2025-03-05
