onsemi NVBG050N170M1 Silicon Carbide (SiC) MOSFET
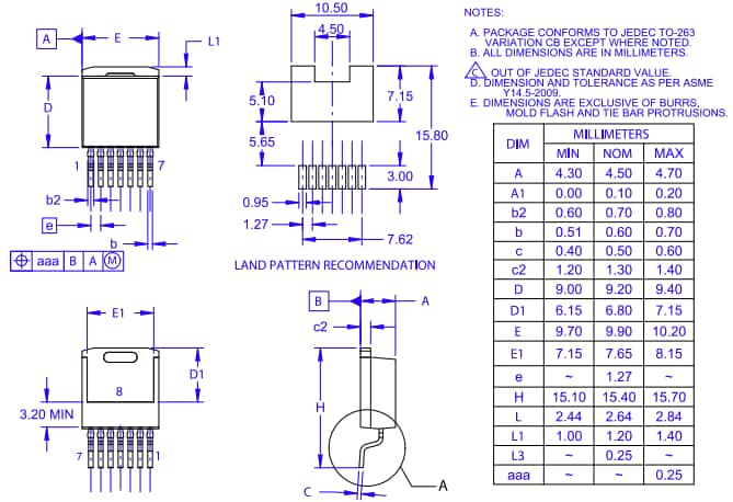
onsemi NVBG050N170M1 Silicon Carbide (SiC) MOSFET is a part of the 1700V M1 planar SiC MOSFET family optimized for fast switching applications. This MOSFET features a maximum 76mΩ @ 20V maximum RDS(ON), 1700V drain-to-source voltage, 50A continuous drain current, and ultra-low gate charge (typical QG(tot) = 107nC). The NVBG050N170M1 SiC MOSFET operates at low effective output capacitance (typical Coss = 97pF) and -15V/+25V gate-to-source voltage. This SiC MOSFET is 100% avalanche tested and is available in a D2PAK-7L package. The NVBG050N170M1 SiC MOSFET is Pb-free 2LI, Halide-free, and RoHS compliant with exemption 7a. Typical applications include a flyback converters, an automotive DC-DC converters for EVs/HEVs, and an automotive On Board Chargers (OBCs).Features
- Typical RDS(on) = 53mΩ @ VGS = 20V
- Ultra low gate charge (typical QG(tot) = 107nC)
- Low effective output capacitance (typical Coss = 97pF)
- 100% avalanche tested
- Halide free
- RoHS compliant with exemption 7a
- Pb-free 2LI (on second-level interconnection)
Applications
- Flyback converter
- Automotive DC-DC converter for EV/HEV
- Automotive On Board Charger (OBC)
Specifications
- 1700V VDSS drain-to-source voltage
- -15V/+25V gate-to-source voltage
- -55°C to 175°C operating temperature range
- 87A continuous source current (Body Diode)
MOSFET Overview
Typical Characteristcs
Dimension
Publicerad: 2025-05-14
| Uppdaterad: 2025-06-02
