onsemi NXH0x0F120MNF1 SiC MOSFETs
onsemi NXH0x0F120MNF1 SiC MOSFETs are power modules containing a full bridge and a thermistor in an F1 package. These MOSFETs feature thermistors and press-fit pins. The NXH0x0F120MNF1 modules provide both pre-applied Thermal Interface Material (TIM) and without pre-applied TIM options. These modules are ideally used in solar inverters, uninterruptible power supplies, electric vehicle charging stations, and industrial power. The NXH0x0F120MNF1 modules are Pb-Free, halide free, and are RoHS compliant. These modules come with -40°C to 150°C in the storage temperature range and -40°C to 175°C operating junction temperature range.Features
- 40m/1200V SiC MOSFET half-bridge (NXH040F120MNF1)
- 20m/1200V SiC MOSFET half-bridge (NXH020F120MNF1)
- Thermistor
- Press-fit pins
- Options with pre-applied Thermal Interface Material (TIM) and without pre-applied TIM
- These devices are Pb−Free, halide free, and are RoHS compliant
Specifications
- -40°C to 150°C of the storage temperature range
- -40°C of minimum operating junction temperature
- 175°C of maximum operating junction temperature
- -40°C to 175°C of module operating junction temperature
Applications
- Solar inverter
- Uninterruptible power supplies
- Electric vehicle charging stations
- Industrial power
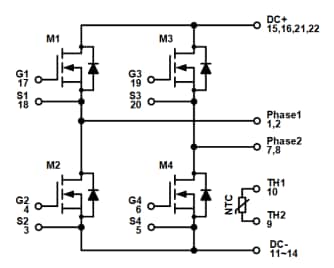
Schematic Diagram
View Results ( 6 ) Page
| Artikelnummer | Tillv. namn | Beskrivning | Datablad |
|---|---|---|---|
| NXH007F120M3F2PTHG | onsemi | MOSFET-moduler 7M 1200V 40A M3S SIC FULL BRIDGE MODULE | ![]() |
| NXH011F120M3F2PTHG | onsemi | MOSFET-moduler 11M 1200V 40A M3S SIC FULL BRIDGE MODULE | ![]() |
| NXH040F120MNF1PTG | onsemi | MOSFET-moduler PIM F1 SIC FULL BRIDGE 1200V 40MOHM | ![]() |
| NXH020F120MNF1PTG | onsemi | MOSFET-moduler PIM F1 SIC FULL BRIDGE 1200V 20MOHM | ![]() |
| NXH020F120MNF1PG | onsemi | MOSFET-moduler PIM F1 SIC FULL BRIDGE 1200V 20MOHM | ![]() |
| NXH040F120MNF1PG | onsemi | MOSFET-moduler PIM F1 SIC FULL BRIDGE 1200V 40MOHM | ![]() |
Publicerad: 2022-04-07
| Uppdaterad: 2024-06-18

