onsemi NXH40B120MNQ1 Full SiC MOSFET Module
onsemi NXH40B120MNQ1 Full SiC MOSFET Module contains a dual full SiC boost stage consisting of three 40mΩ/1200V SiC MOSFETs and three 40A/1200V SiC diodes. This SiC MOSFET module includes three additional 50A/1200V bypass rectifiers for the inrush current limit. The NXH40B120MNQ1 module features low reverse recovery, fast switching SiC diodes, low inductive layout, solderable pins, a thermistor, Pb-free, Halogen Free, BFR free, and is RoHS compliant. This SiC MOSFET module is ideally used in solar inverters and uninterruptable power supplies.Features
- 1200V 40mΩ SiC MOSFETs
- Low reverse recovery and fast switching SiC diodes
- 1200V bypass and anti-parallel diodes
- Low inductive layout
- Solderable pins
- Thermistor
- This Device is Pb-Free, halogen-free/BFR free, and is RoHS compliant
Specifications
- -40°C to 125°C of the storage temperature range
- -40°C to 150°C of the module operating junction temperature
Applications
- Solar inverters
- Uninterruptable power supplies
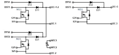
Schematic Diagram
Publicerad: 2022-04-07
| Uppdaterad: 2024-06-18
