ROHM Semiconductor BM6GD11BFJ-LB 1-Channel Gate Driver
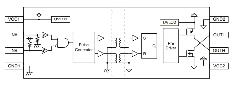
ROHM Semiconductor BM6GD11BFJ-LB 1-Channel Gate Driver with built-in isolation is capable of driving GaN HEMTs at high speeds. This gate driver features a 2500VRMS isolation voltage, 60ns maximum input/output delay time, and a 65ns minimum input pulse width. The BM6GD11BFJ-LB gate driver consists of an Under-Voltage Lockout (UVLO) function on the input side (between VCC1 and GND1) and the output side (between VCC2 and GND2). This gate driver is available in SOP-JW8 package in 4.9mm x 6mm x 1.65mm dimensions. The BM6GD11BFJ-LB gate driver is used in industrial equipment, GaN HEMT gate drives, AC adapters, and server power supply applications.Features
- Built-in galvanic isolation
- Under-Voltage Lockout (UVLO) function
- 2500VRMS isolation voltage
- 60ns maximum input/output delay time
- 65ns minimum input pulse width
Applications
- Industrial equipment
- GaN HEMT gate drives
- AC adapters
- Server power supplies
Basic Application Circuit Diagram (High-side GaN HEMT driver)
Block Diagram
Publicerad: 2025-05-15
| Uppdaterad: 2025-06-26
