PANJIT MERx 200V Super Fast Recovery Rectifiers
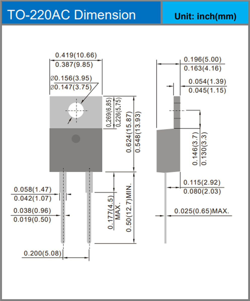
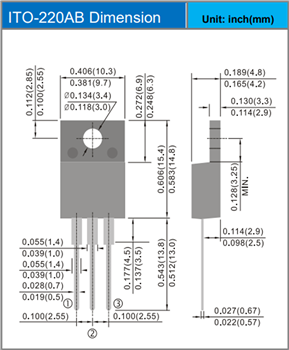
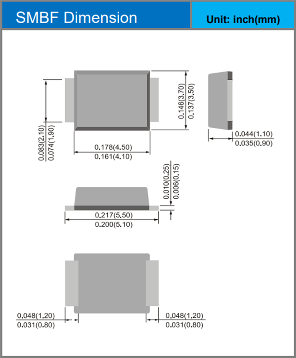
PANJIT MERx 200V Super Fast Recovery Rectifiers offer low forward voltage, high current capability, and low leakage. The MERx Rectifiers feature a unique epitaxial construction and a maximum reverse recovery time of 35ns. These devices have a 200V maximum repetitive peak reverse voltage, a 140V maximum RMS voltage, and a 2A to 3A maximum average forward current.The PANJIT MERx 200V Super Fast Recovery Rectifiers are offered in surface-mount SMA, SMAF-C, SMB, SMBF, and SOD-123HE and in through-hole ITO-220AB and TO-220AC packages.
Features
- Superfast recovery times, 35ns maximum
- Epitaxial construction
- 200V maximum repetitive peak reverse voltage (VRRM)
- 140V maximum RMS voltage (VRMS)
- 200V maximum DC blocking voltage (VDC)
- 2A to 3A maximum average forward current (IF(AV)
- Low forward voltage (VF)
- High current capability
- Low leakage
- Plastic package has Underwriters Laboratory Flammability Classification 94V-O
- Lead-free in compliance with EU RoHS 2.0
- Green molding compound as per IEC 61249 standard
- Package options
- Surface-mount: SMA, SMAF-C, SMB, SMBF, SOD-123HE
- Through-hole: ITO-220AB, TO-220AC
Applications
- Home appliances
- PSU for networks
- PV inverters
- Data centers
- PC power
- UPS
- Welders
- Industrial motors
Publicerad: 2022-07-26
| Uppdaterad: 2022-07-27
