Mini-Circuits ZVDP Coaxial Diplexer
Mini-Circuits ZVDP Coaxial Diplexer features low insertion loss, good return loss, high rejection, and excellent power handling. This diplexer is designed by implementing resonant structures with high Q, making it ideal for narrow-band, high-selectivity applications. The coaxial cavity filter has a special protection assembly, preventing accidental de-tuning that would otherwise require expensive replacement. Precise machining allows the realization of a cavity filter with a small form factor for size-critical applications. Mini-Circuits ZVDP Coaxial Diplexer is ideal for test and measurement, electronic countermeasures, and BLUETOOTH® ISM bands.Features
- Low insertion loss
- Good return loss
- High rejection
- Power handling
- High Q
- Precise machining
Applications
- Test and measurement
- Electronic countermeasures
- Bluetooth ISM bands
Specifications
- 0.4dB typical insertion loss
- 20dB typical return loss
- 90dB rejection
- 75W power handling
- 50Ω impedance rating
- 902MHz to 2500MHz frequency range
- SMA female
- -40°C to +85°C operating temperature range
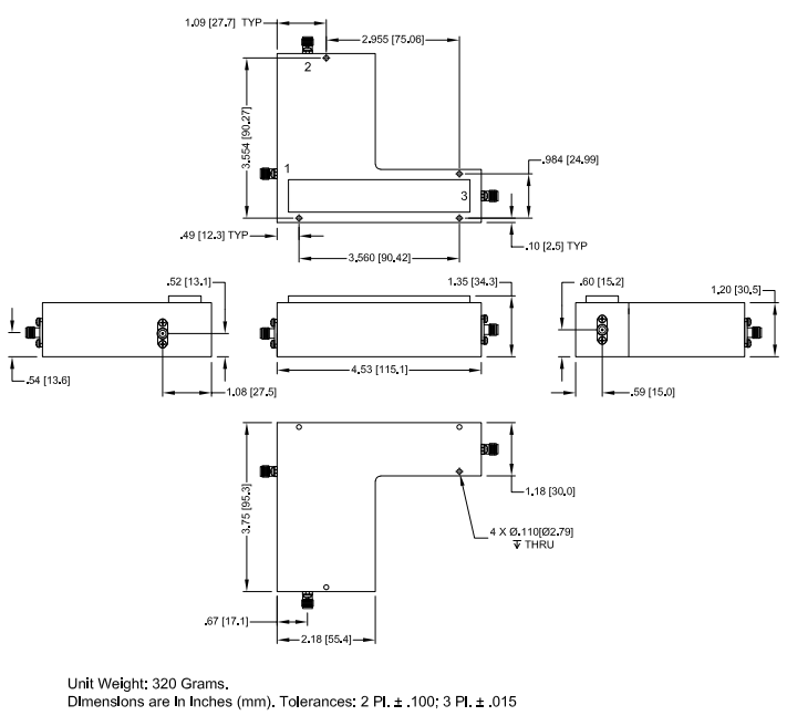
Case Style Drawing
Functional Diagram
Publicerad: 2024-09-20
| Uppdaterad: 2025-01-20
