ROHM Semiconductor BDxFD0 & BDxFDA Single-Output LDO Regulators
ROHM Semiconductor BDxFD0 and BDxFDA Single-Output Low Voltage Dropout (LDO) Regulators are low saturation devices with 35V voltage resistance. These regulators feature variable and fixed type outputs, 2A output current, and a low ESR capacitor. The BDxFD0 and BDxFDA regulators include a built-in Over-Current Protection (OCP) circuit that prevents the IC from output short circuits. These regulators are available in the HRP5/TO263-5 package and are ideal for general-purpose applications.Features
- 2A output current
- Variable and fixed type outputs
- Low saturation with PDMOS output
- Built-in thermal shutdown circuit protects the IC from thermal damage due to overloading
- Low ESR capacitor
- Over-Current Protection (OCP) circuit prevents the IC from output short circuits
- Available in the HRP5/TO263-5 package
- -40°C to 105°C operating temperature range
- Ideal for general-purpose applications
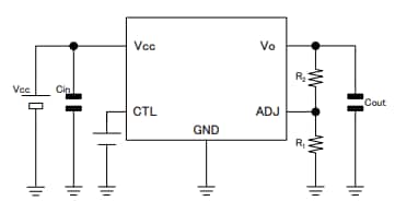
Typical Application Circuit Output Voltage Variable Type
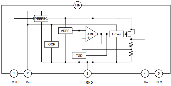
Output Voltage Variable Type Block Diagram
Output Voltage Fixation Type Block Diagram
View Results ( 15 ) Page
| Artikelnummer | Datablad | Ib - Ingångsbiasström | Ingångsspänning – max. | Linjeregulering | Dropout-spänning - Max | Dropout-spänning | Utgångsspänning | Utgångstyp | Ingångsspänning – min. | Utgångsspänningens räckvidd | Spänningsreferens | PSRR/rippelavslag - Typ | Minsta drifttemperatur | Maximal drifttemperatur |
|---|---|---|---|---|---|---|---|---|---|---|---|---|---|---|
| BDJ2FD0WHFP-TR | ![]() |
1 mA | 32 V | 20 mV | 550 mV | 400 mV | 12 V | Fixed | 50 dB | - 40 C | + 105 C | |||
| BD50FD0WHFP-TR | ![]() |
1 mA | 32 V | 20 mV | 550 mV | 400 mV | 5 V | Fixed | 55 dB | - 40 C | + 105 C | |||
| BDJ6FD0WHFP-TR | ![]() |
1 mA | 32 V | 20 mV | 550 mV | 400 mV | 16 V | Fixed | 50 dB | - 40 C | + 105 C | |||
| BD15FD0WHFP-TR | ![]() |
1 mA | 32 V | 20 mV | 1.5 V | Fixed | 4 V | 55 dB | - 40 C | + 105 C | ||||
| BD00FD0WFP2-E2 | ![]() |
1 mA | 32 V | 20 mV | Adjustable | 1.5 V to 16 V | 750 mV | 55 dB | - 40 C | + 105 C | ||||
| BD50FD0WFP2-E2 | ![]() |
1 mA | 32 V | 20 mV | 550 mV | 400 mV | 5 V | Fixed | 55 dB | - 40 C | + 105 C | |||
| BD00FDAWHFP-TR | ![]() |
1 mA | 32 V | 20 mV | 550 mV | 400 mV | Adjustable | 1 V | 1.5 V to 30 V | 750 mV | 55 dB | - 40 C | + 105 C | |
| BD25FD0WHFP-TR | ![]() |
1 mA | 32 V | 20 mV | 2.5 V | Fixed | 4 V | 55 dB | - 40 C | + 105 C | ||||
| BD30FD0WHFP-TR | ![]() |
1 mA | 32 V | 20 mV | 3 V | Fixed | 4 V | 55 dB | - 40 C | + 105 C | ||||
| BD33FD0WHFP-TR | ![]() |
1 mA | 32 V | 20 mV | 3.3 V | Fixed | 55 dB | - 40 C | + 105 C |
Publicerad: 2025-05-18
| Uppdaterad: 2025-06-26

