pSemi PE44820 UltraCMOS® RF Digital Phase Shifter
pSemi PE44820 UltraCMOS® RF Digital Phase Shifter (DPS) is a HaRP™ technology-enhanced 8-bit device optimized for a broad range of applications, including beamforming networks, distributed antenna systems, active antenna systems, and phased array applications. This DPS covers a phase range of 358.6° in 1.4° steps, maintaining excellent phase and amplitude accuracy across the nominal frequency band of 1.7GHz to 2.2GHz. pSemi PE44820 is also capable of extended frequency operation from 1.1GHz to 3.0GHz for narrowband applications. An integrated digital control interface supports both serial and parallel programming of the phase setting.Features
- 1.7GHz to 2.2GHz operating frequency
- 1.1GHz to 3.0GHz extended narrowband frequency
- 8-bit full-range phase shifter of 358.6°; 180°, 90°, 45°, 22.5°, 11.2°, 5.6°, 2.8°, and 1.4° bits
- Low RMS phase and amplitude error
- 1.0° RMS phase error
- 0.1dB RMS amplitude error
- High linearity of +60dBm IIP3
- 2.3V to 5.5V input voltage range
- 1.3μA typical supply current
- -40°C to +105°C operating temperature range
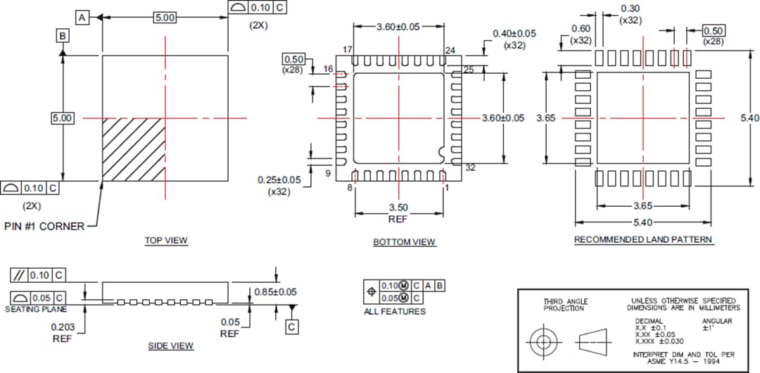
- 5mm × 5mm × 0.85mm QFN32 package
Applications
- Base station transceivers
- Active antenna arrays
- Weather radar
- Military radar
Additional Resource
Block Diagram
Package Outline
Publicerad: 2020-06-04
| Uppdaterad: 2024-04-08
