Qorvo QPA3357 Power Doubler Amplifier Module
Qorvo QPA3357 Power Doubler Amplifier Module is a GaAs pHEMT/MESFET 75Ω Doubler RF Amplifier in a hybrid package, offering over 28dB flat gain. The QPA3357 is designed to support Data-Over-Cable Service Interface Specification (DOCSIS) 3.1 applications up to 1218MHz using a single 24V supply. The QPA3357 offers low noise and distortion at high efficiency with a low 10.5W power consumption.Features
- 47MHz to 1218MHz frequency range
- GaAs pHEMT/MESFET technology
- 28dB high gain at 1218MHz
- 57dBmV/ch virtual 1.2GHz at 19dB tilt
- Excellent composite distortion
- Excellent linearity
- Superior return loss performance
- Optimal reliability
- Low 4.5dB noise figure
- Unconditionally stable under all terminations
- 440mA typical at 24VDC
- SOT-115J package
Applications
- DOCSIS 3.1
- Nodes and line amplifiers
- Head-end CMTS equipment
- 75Ω amplifiers
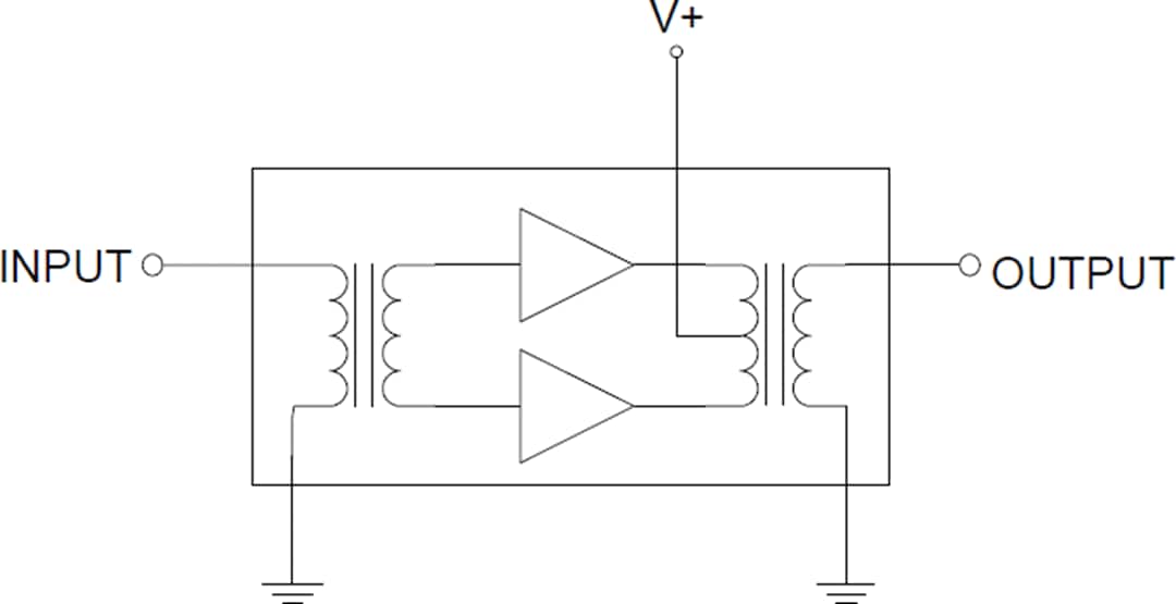
Block Diagram
Typical Application Circuit
Publicerad: 2019-04-22
| Uppdaterad: 2023-11-14
