Qorvo QPA9421EVB-01 Evaluation Board
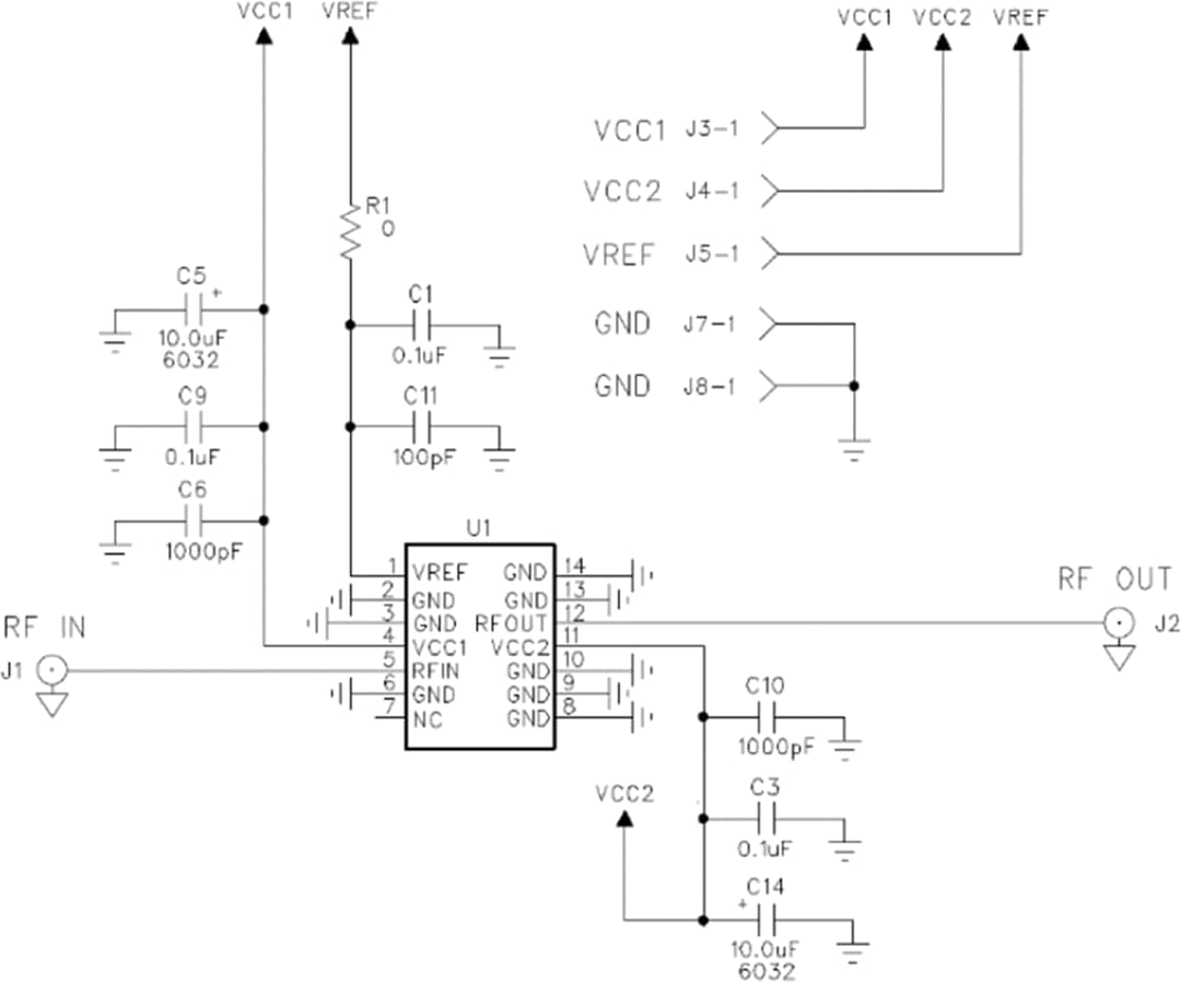
Qorvo QPA9421EVB-01 Evaluation Board is a demonstration and development platform for the QPA9421 High-Linearity Two-Stage Power Amplifier. The QPA9421 provides 30dB gain and +27dBm linear power over the 2.11GHz to 2.17GHz frequency range. This amplifier is able to achieve -50dBc ACLR at +27dBm output power using a 20MHz LTE signal.The QPA9421EVB-01 Evaluation Board features a pre-mounted QPA9421 in a compact 7mm x 7mm leadless surface mount package. The Evaluation Board provides an example application circuit, allowing rapid prototyping when incorporated into existing designs.
Application Circuit Schematic
Videos
Publicerad: 2019-09-30
| Uppdaterad: 2023-12-01
