Qorvo QPP0020 Broadband/CATV Transformer (3.06:1 Ratio)
Qorvo QPP0020 Broadband/CATV Transformer (3.06:1 Ratio) are designed for applications that require small, low-cost, and high-reliable surface mount components. These transformers offer low insertion loss while maintaining a high RF power capability across a wide operating temperature range of -40°C to 100°C. The QPP0020 audio/signal transformers feature a 3.06:1 impedance ratio, 75Ω characteristic impedance, and 45MHz to 1218MHz operating frequency range. All transformers are 100% RF tested, lead-free, RoHS-compliant, and come in an industry-standard SMT package SP6. These transformers are compatible with 260°C lead-free soldering and are available in tape-and-reel packaging. Typical applications include broadband/CATV and general-purpose wireless.Features
- Low insertion loss
- 100% RF tested
- Compatible with 260°C lead-free soldering
- Industry-standard SMT package SP6
- Available in tape-and-reel packaging
- Lead-free and RoHS-compliant
Specifications
- Absolute maximum ratings:
- 1000mA DC current inside pin4, T=25°C
- 36dBm RF power, CW, T=25°C
- -40°C to 100°C operating temperature range
- -55°C to 100°C storage temperature range
- 3.06:1 impedance ratio
- 45MHz to 1218MHz operating frequency range
- 75Ω characteristic impedance
Applications
- Broadband/CATV
- General purpose wireless
Functional Block Diagram
Pad Configuration and Description
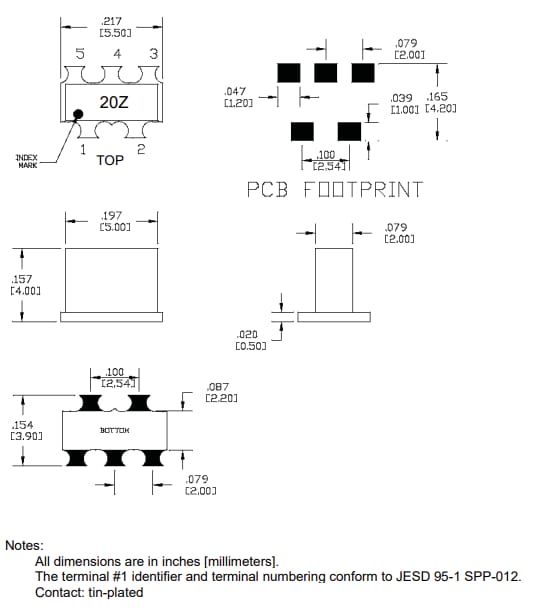
Dimensional Diagram
Publicerad: 2023-10-24
| Uppdaterad: 2024-07-24
