Renesas Electronics ISL32704E Isolated RS-485 Transceivers
Renesas ISL32704E Isolated RS-485 Differential Bus Transceivers are designed to provide 4Mbps bidirectional data transmission for Industrial Internet of Things (IIoT) networks. These high-speed transceivers deliver electromagnetic interference (EMI) common-mode transient immunity (CMTI) in a small 4mm x 5mm 16-lead QSOP package and 600Vrms of working voltage. The devices leverage giant magnetoresistance (GMR) technology to provide galvanic isolation, keeping the communication bus free from common-mode noise generated in electrically noisy factories and building automation environments. Renesas ISL32704E series is suited for the equipment-to-bus interface in IIoT networks that connect programmable logic controllers (PLCs) to instruments, robots, motor drives, data acquisition, and digital I/O modules.The ISL32704E modules use minimal power consumption, and the 20mA supply current allows the series to operate at maximum speed without overheating. On the non-isolated control side, the ISL32704E supports a direct connection to a 3V microcontroller, while the isolated bus side connects to a higher voltage supply of 5V for communication of strong bus signals across distances greater than 100m. Renesas / Intersil ISL32704E Isolated RS-485 Differential Bus Transceivers have an operating temperature from -40°C to +85°C.
Features
- 4Mbps data rate
- 2.5kVRMS isolation per UL 1577
- 600VRMS working voltage per VDE 0884
- 3V to 5V power supplies
- Single unit load receiver input
- Driver drives up to 150 unit loads
- 50kV/μs (typical), 30kV/μs (minimum) common-mode transient immunity
- 44,000 years barrier life
- 15kV ESD bus-pin protection
- Thermal shutdown protection
- -40°C to +85°C temperature range
- Meets or exceeds ANSI RS-485
- 16 Ld QSOP and 0.3” true 8mm 16 Ld SOIC packages
- UL 1577 recognized
- VDE V0884-10 certified
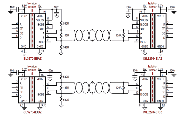
Circuit Diagram
Publicerad: 2019-11-05
| Uppdaterad: 2023-09-27
