Renesas Electronics ISL9238 Buck-Boost NVDC Charger
Renesas / Intersil ISL9238 Buck-Boost NVDC Charger provides the NVDC (Narrow Output Voltage DC) charging function, system bus regulation, and protection features for a tablet, ultrabook, notebook, power bank, and any USB-C interface platforms. Intersil’s advanced R3™ Technology is used to provide high light-load efficiency and fast transient response. In charging mode, the ISL9238 takes input power from a wide range of DC power sources. It then safely charges battery packs with up to 4-series cell Li-ion batteries. As an NVDC topology charger, it also regulates the system output to a narrow DC range for stable system bus voltage. The system power can be provided from the adapter, battery, or a combination of both. The Renesas / Intersil ISL9238 can operate with only a battery, only an adapter, or both connected.Features
- Buck-boost NVDC charger for 1, 2, 3, or 4-cell Li-ion batteries
- 3.2V to 23.4V (no dead zone) input voltage range
- 2.4V to 18.304V system output voltage
- Autonomous charging option (automatic end of charging)
- System power monitor PSYS output, IMVP compliant
- Up to 1MHz switching frequency
- Adapter current and battery current monitor (AMON/BMON)
- PROCHOT# open-drain output, IMVP compliant
- Allows trickle charging of depleted battery
- Ideal diode control in Turbo mode
- Reverse buck, boost, and buck-boost operation from battery
- Two-level adapter current limit available
- Battery Ship mode option
- SMBus and auto-increment I2C compatible
- Package 4x4 32 Lead TQFN
Applications
- 1 to 4-cell tablet
- Ultrabook
- Notebook
- Power bank
- Any USB-C interface portable device requiring batteries
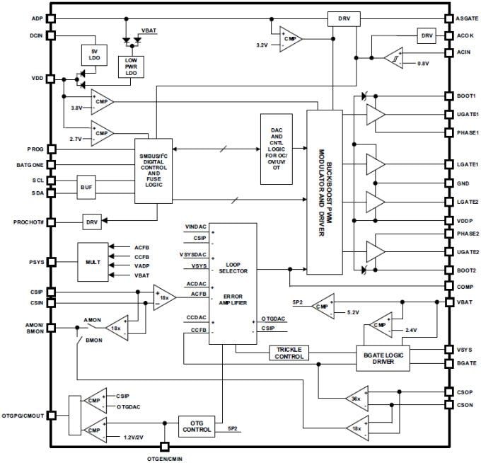
Block Diagram
Publicerad: 2016-12-07
| Uppdaterad: 2025-05-22
