Renesas Electronics ISL315xE RS-485/RS-422 Differential Transceivers
Renesas Electronics ISL315xE RS-485/RS-422 Differential Transceivers feature high output drive and ESD protection. The ISL315xE family includes half- and full-duplex transceivers with active-high driver-enable pins and active-low receiver enable pins. Renesas ISL315xE Transceivers withstand ±16.5kV IEC61000-4-2 ESD strikes without latch-up. The device has a large output voltage of 3.1V typical into a 54Ω load, providing high noise immunity and enabling the drive of up to 8000ft long bus segments or eight 120Ω terminations in a star topology.The ISL315xE RS-485/RS-422 Differential Transceivers provide less than 125µA bus input currents, resulting in a true 1/8 unit load. The high output drive combined with the low bus input currents allows for connecting up to 512 transceivers on the same bus.
The receiver inputs have a full fail-safe design that turns the receiver outputs high when the bus inputs are open or shorted. The ISL315xE Transceivers support data rates of 115kbps, 1Mbps, and 20Mbps with a temperature performance characterized from -40°C to +85°C.
Features
- 3.1V (typical) into RD = 54Ω high VOD
- 125µA low bus current constitutes a true 1/8 unit load
- Allows for up to 512 transceivers on the bus
- ±16.5kV ESD protection on bus I/O pins
- ±100V high transient overvoltage tolerance
- Full fail-safe outputs for open or shorted inputs
- Hot-plug capability - driver and receiver outputs remain high-impedance during power-up and power-down
- 115kbps, 1Mbps, and 20Mbps supported data rates
- 550µA low supply current (driver disabled)
- 70nA ultra-low shutdown current
Applications
- Automated utility e-meter reading systems
- High node count systems
- PROFIBUS and Fieldbus systems in factory automation
- Security camera networks
- Industrial process control networks
- Lighting, elevator, and HVAC control systems in building automation
- Networks with a star topology
- Long-haul networks in coal mines and oil rigs
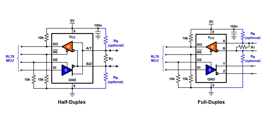
Typical Operating Circuit
Additional Resource
Publicerad: 2019-11-21
| Uppdaterad: 2023-09-26
