Renesas Electronics ISL6144 High Voltage ORing MOSFET Controllers
Renesas Electronics ISL6144 High Voltage ORing MOSFET Controllers and N-channel power MOSFETs increase the power distribution efficiency and availability. This happens when replacing a power ORing diode in high current applications. These controllers operate between 9V to 75V supply voltage range. The ISL6144 controllers with High Speed (HS) comparator provide very fast <0.3µs response time to dead shorts on sourcing supply. These MOSFET controllers come in a QFN package and are RoHS compliant. Applications include file and network servers (12V and 48V), telecom/datacom systems, N + 1 redundant distributed power systems, and ORing MOSFET control in power distribution systems.Features
- 9V to 75V wide supply voltage range
- 100V transient rating
- Reverse current fault isolation
- Internal charge pump allows the use of N-channel MOSFET
- HS comparator provides very fast <0.3µs response time to dead shorts on sourcing supply
- HS comparator also comes with resistor-adjustable trip level
- HR amplifier allows quiet, <100µs MOSFET turn-off for power supply slow shut down
- Open drain, active low fault output with 120µs delay
- Provided in packages compliant to UL60950 (UL1950) creepage requirements
- QFN package:
- Compliant to JEDEC PUB95 MO-220
- QFN - quad flat no leads package outline
- Near chip scale package footprint, which improves PCB efficiency and has a thinner profile
- Pb-free (RoHS compliant)
Applications
- ORing MOSFET control in power distribution systems
- N + 1 redundant distributed power systems
- File and network servers (12V and 48V)
- Telecom/datacom systems
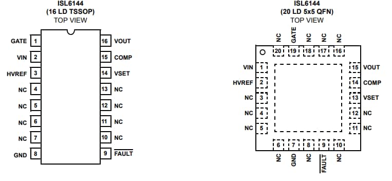
Pinout Diagram
Block Diagram
Publicerad: 2020-10-15
| Uppdaterad: 2022-03-11
