Renesas Electronics ISLACDC750WEVKIT1Z Evaluation Kit
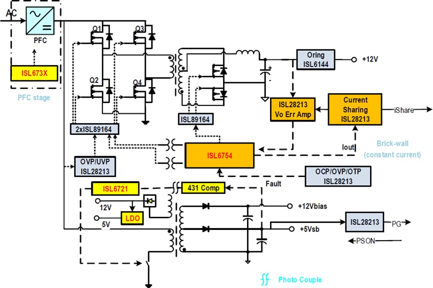
Renesas Electronics ISLACDC750WEVKIT1Z Evaluation Kit is designed to demonstrate ATX PC power supply applications based on the ISL6754 ZVS Full-Bridge ISL6731A and ISL6731B Power Factor Correction Controllers and the ISL6721 Single-Ended Current Mode PWM Controller. With a 400V DC bus, the converter can output 12V at 62.5A. The efficiency performance can reach upward of 80%. Overall protection functions such as input Over Voltage and Under Voltage Protection, Output Over Voltage, Over Current, Over Temperature, and Short Circuit Protection make the circuit very reliable. The PSON pin provides an interface to control the board remotely, and a Power-Good (PG) pin indicates the working condition of the circuit. The circuit can also be adapted to a battery charger.Features
- ISL6754 ZVS Full-Bridge PWM Controller
- ISL6731A or ISL6731B Power Factor Correction Controller
- ISL6721 Single-Ended Current Mode PWM Controller
- ISL28213 Micropower Operational Amplifier
- Current sharing
- ORing hot swap
- Over Voltage Protection (OVP)
- Over Temperature Protection (OTP)
- Under Voltage Protection (UVP)
- Over Current Protection (OCP)
- Short Circuit Protection
- Stand-by mode turns off Power Factor Correction (PFC) and DC-DC
Kit Contents
- ISLACDC750W-MBEV1Z Main Board (MB)
- ISL6731x-DB-1Z Daughter Board (PFDB)
- ISL6721-DB-1Z Daughter Board (BiasDB)
- ISL6754DBEVAL2Z Daughter Board (ZVSDB)
Test Setup
System Block Diagram
PFC Stage Block Diagram
Publicerad: 2018-07-05
| Uppdaterad: 2023-02-09
