Renesas Electronics RAA212422 Synchronous Buck Regulators
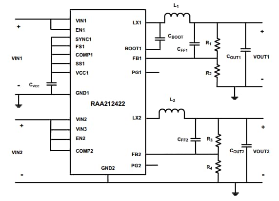
Renesas Electronics RAA212422 Synchronous Buck Regulators are dual output regulators designed to combine 1.1A buck regulator with 1.5A buck regulator, both having different input ranges. These buck regulators provide an easy-to-use, high-efficiency, and low BOM count solution as both regulators have integrated high-side and low-side MOSFETs. The RAA212422 buck regulators feature thermal shutdown, internal and external compensation, power-good functions, hiccup overcurrent protection, and programmable soft-start. The wide VIN buck regulator switches at a frequency of 500kHz, and the low VIN buck regulator operates at a switching frequency of 1MHz.The RAA212422 buck regulators operate at PWM mode only and 100% duty cycle to reduce noise susceptibility and RF interference. These buck regulators are available in a 3mm x 6mm TDFN plastic package and operate at -40°C to +125°C temperature range. Typical applications include industrial control, distributed power supplies, medical devices, cloud infrastructure, cable modems, FPGA power, and LCD panels.
Features
- Wide VIN buck regulator:
- 3V to 40V input voltage with 1.1A output current
- 500kHz internal fixed frequency or 300kHz to 2MHz adjustable switching frequency
- Internal or external soft-start
- Low VIN buck regulator:
- 2.7V to 5.5V input voltage with 1.5A output current
- VOUT range: 0.6V to VIN
- 1MHz fixed switching frequency
- Synchronous operation for high efficiency
- Integrated high-side and low-side MOS devices
- Internal or external compensation option
- Power-good and enable functions
- Thermal shutdown
Applications
- Industrial control
- Medical devices
- Portable instrumentation
- Distributed power supplies
- Cloud infrastructure
- General purpose point of load DC/DC
- Set-top boxes and cable modems
- FPGA power
- DVD
- HDD drives
- LCD panels and TV
Block Diagram
Typical Application Circuit
Publicerad: 2019-01-11
| Uppdaterad: 2023-06-13
