Renesas Electronics RAA211650 Evaluation Board
Renesas Electronics RAA211650 Evaluation Board is used to evaluate the RAA211650 integrated 60V, 5A synchronous buck regulator. The regulator has an adjustable switching frequency from 200kHz up to 2.5MHz. It supports a wide input voltage range from 4.5V to 60V and adjustable output voltage. The RAA211650 is offered in a 28Ld QFN package. The evaluation board operates from a supply voltage of 4.5V to 60VDC with the capability of delivering a continuous load of 5A.Features
- Switch selectable EN or option to drive it by an external signal
- Internal and external compensation options
- Internal and external RT options
- Internal and external soft-start options
- Frequency synchronization and spread spectrum options
- Adjustable delay time options
- Options to connect EBIAS to VOUT or drive by an external source
- Output voltage programmable with external feedback resistors
- Options to use internal feedback resistors for 3.3V VOUT
- Connectors and test points for easy probing and data acquisition
Specifications
- 4.5V to 60V input voltage range
- 3.3V output voltage
- Up to 5A output current capability
- Internal set switching frequency of 500kHz
- Internal compensation
- Internal soft-start of 2ms
- Start-up/shutdown delay of 2ms
- EBIAS is connected to VOUT
- -40°C to +125°C operating temperature range
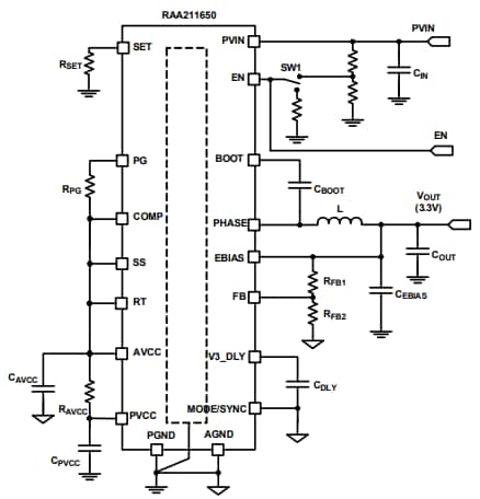
Block Diagram
Publicerad: 2021-09-01
| Uppdaterad: 2023-04-28
