RFMi PX1002 86.85MHz SAW Filter
RFMi PX1002 86.85MHz SAW (Surface Acoustic Wave) Filter provides low insertion loss and excellent selectivity in a hermetic 13.3mm x 6.5mm (SM13365-12) SMD package. Operating in a -20°C to +70°C temperature range, the components feature an unbalanced input and output with a 30VDC maximum DC voltage between any two terminals. The PX1002 SAW filter is designed for TDMA IS-54 receiver IF applications.Features
- Low insertion loss
- Excellent selectivity
- Hermetic 13.3mm x 6.5mm surface-mount package
- Unbalanced input and output
- Complies with Directive 2002/95/EC (RoHS)
- Designed for TDMA IS-54 receiver IF applications
Applications
- BTS, small cell, repeater
- Gateway, router, access point
- Backhaul radio
- 5G, IoT
- Automotive
- High reliable terminals
Specifications
- +10dBm maximum incident power in passband
- Temperature ranges
- -20°C to +70°C operating
- -40°C to +85°C storage
- 30VDC maximum DC voltage between any 2 terminals
- 86.850MHz nominal center frequency
- SM13365-12 13.3mm x 6.5mm nominal footprint case style
- Materials
- AI2O3 ceramic body
- 2.0µm to 3.0µm nickel lid plating
- 0.3µm to 1.0µm gold solder pad plating over 1.27µm to 8.89µm nickel
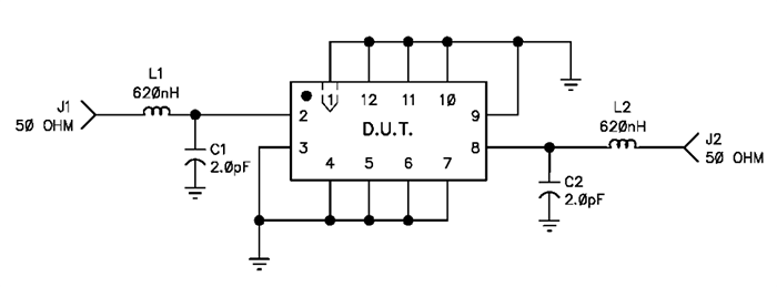
Schematic
Publicerad: 2021-01-18
| Uppdaterad: 2024-04-09
