ROHM Semiconductor BD34352EKV Sampling Stereo Audio D/A Converters
ROHM Semiconductor BD34352EKV Sampling Stereo Audio D/A Converters are 32-bit high sound quality stereo audio D/A converters that correspond to the BD34352EKV-EVK-001 evaluation board. The devices feature sound quality design, and excellent numerical performance (SNR: 126 dB (Typ), THD+N: -112 dB(Typ)) suitable for high-end audio. Favorite sound is selectable by switching 2 kinds of digital FIR filters (Sharp Roll-Off, Slow Roll-Off). PCM I/F supports up to 768kHz and DSD I/F supports up to 22.4MHz.Features
- SNR 126dB (typ), THD+N -112dB (typ) (PCM mode)
- Sampling frequency 32kHz to 768kHz (PCM mode)
- 2 kinds of digital FIR filters (PCM mode)
- DSD 2.8MHz, 5.6MHz, 11.2MHz, 22.4MHz available
- Supports stereo mode (2ch) and mono mode (1ch)
- Selectable 4 device addresses (38h, 3Ah, 3Ch, 3Eh)
Applications
- CD/SACD player
- Digital Audio Player (DAP)
- USB-DAC and others
Additional Resources
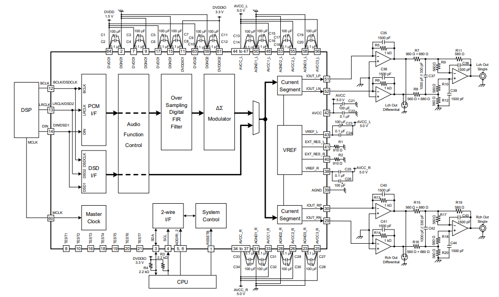
Block Diagram
Publicerad: 2022-01-25
| Uppdaterad: 2022-07-13
