ROHM Semiconductor BD85506F Synchronous Rectification Control ICs
ROHM Semiconductor BD85506F Synchronous Rectification Control ICs feature enhanced abnormality detection function on the secondary side. This IC has a function to detect FET abnormalities like body diode rectification operation. In addition, it incorporates a high-accuracy overvoltage detection circuit, contributing to improved safety and reduction of external components.Features
- Internal FET abnormality detection function for secondary-side synchronous rectification
- Internal overvoltage detection circuit (OVP) (externally adjustable, high accuracy: 2%)
- Efficiency improvement by FET OFF threshold voltage is adjustable
- Source of each FET can be individually monitored
- Internal standby mode automatic determination function
- Internal multipurpose comparator
- With the slow start function, it is possible to set the FET abnormality detection function at startup and during the start of the switching operation
- Wide input voltage range 5.0V to 32V
- D1, D2 Pin 120V (Max) breakdown voltage
- Flow compatible SOP14 package
Applications
- Isolated LLC type AC/DC power supply
- Adapter, TV, printer, office equipment, etc
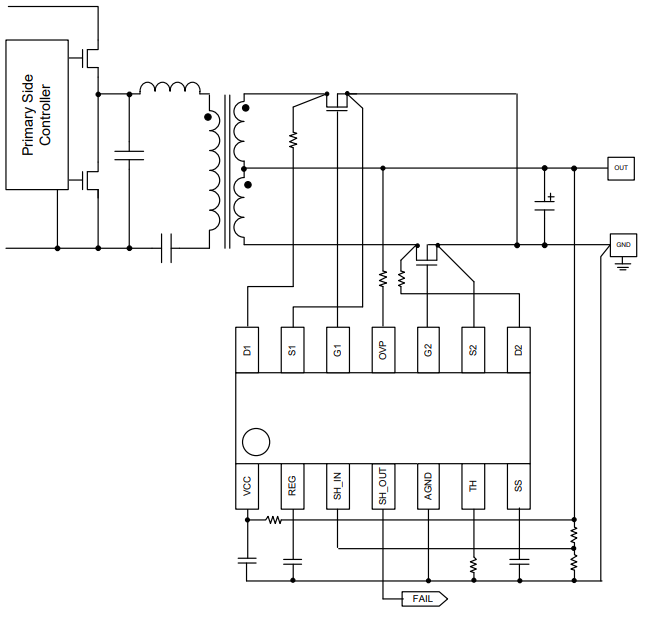
Typical Application Circuits
Publicerad: 2022-02-01
| Uppdaterad: 2022-03-11
