ROHM Semiconductor BM81810MUF-ME2 Power Management IC
ROHM Semiconductor BM81810MUF-ME2 Power Management IC incorporates a VCOM amplifier, Gate Pulse Modulation (GPM), and built-in EEPROM. This Power Management Integrated Circuit (PMIC) features a positive charge pump for VGH output and a negative charge pump for VGL output. The BM81810MUF-ME2 IC includes under-voltage lockout, thermal shut down, over-current protection, over-voltage protection, and under-voltage protection circuits. This PMIC operates at -40°C to 105°C temperature range, 2μA standby current, and 2.6V to 5.5V input voltage range. Typical applications include car navigation, in-vehicle center panel, and instrument cluster.Features
- AEC-Q100 qualified
- Alternative synchronous buck DC/DC converter or LDO for VDD output
- Synchronous boost DC/DC converter for AVDD output with integrated load switch
- VCOM amplifier with 7bit calibrator
- Positive charge pump for VGH output
- Negative charge pump for VGL output
- VGH and VCOM temperature compensation
- Gate Pulse Modulation (GPM)
- I2C interface output voltage setting control function (integrated EEPROM)
- Switching frequency switching function
- Protection circuits:
- Under-voltage lockout
- Thermal shut down
- Over-current protection
- Over-voltage protection
- Under-voltage protection
Specifications
- 2.6V to 5.5V input voltage range
- -40°C to 105°C operating temperature range
- 2μA standby current
- 5V to 17V AVDD output voltage range
- 8V to 35V VGH output voltage range
- 4V to -14V VGL output voltage range
- 0.9V to 3.4V VDD output voltage range
- 200mA VCOM output current
- 525KHz, 1.05MHz, and 2.1MHz switching frequency
Applications
- TFT-LCD panels:
- Car navigation
- In-vehicle center panel
- Instrument cluster
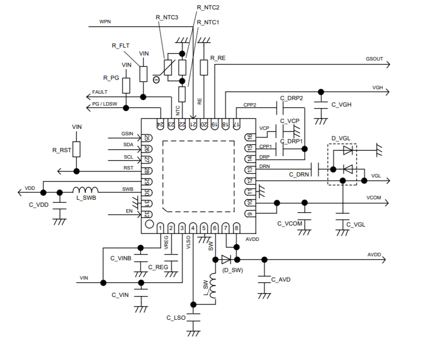
Application Circuit
Publicerad: 2021-02-23
| Uppdaterad: 2024-02-08
