ROHM Semiconductor RB-D62Q2713TB52 Reference Board
ROHM Semiconductor RB-D62Q2713TB52 Reference Board, powered by the LAPIS ML62Q2713 CMOS 16-bit RISC MCU, is a versatile solution for developing low-power, high-performance embedded systems. This board is designed to support various applications, including industrial automation, smart home devices, IoT edge nodes, and portable medical devices. The ML62Q2713 MCU integrates advanced features such as expanded memory, multiple communication interfaces, and an LCD driver, making it ideal for systems requiring efficient processing and secure communication.The board's low power consumption and compact design are suited for battery-operated and space-constrained devices, while its rich peripheral set, including ADCs, UART, SPI, and I2C, simplifies development for diverse applications. The ROHM Semiconductor RB-D62Q2713TB52 provides a reliable platform for prototyping and deploying innovative solutions across industrial, consumer, and IoT markets.
Features
- Provided with the LAPIS ML62Q2713 CMOS 16-bit RISC MCU, 52-pin TQFP
- Mounted with the linked connector to EASE1000 V2
- Through-holes for connecting the pins of LSI to external peripheral boards
- Selectable power supply, supplied from the on-chip emulator EASE1000 V2 or CN1_3pin/CN2_2pin
- Mounted 32.768KHz crystal
- Mounted LEDs (P20, P21, P22)
- Foot pattern with components for Successive Approximation Type A/D Converter is available (P23, P24, P25, P26)
- Low power consumption
- Internal flash memory and RAM
- Flexible I/O and communication interfaces
- Real-time processing
- 1.8V to 5.5V operating supply range
- Compact form factor, 56mm x 94mm x 15mm (WxDxH) size
Applications
- Industrial automation
- Home and building automation
- Internet of Things (IoT) and connected devices
- Healthcare and medical devices
- Consumer electronics
- Automotive
- Energy and power systems
- Embedded prototyping and education
Overview
Power Circuit
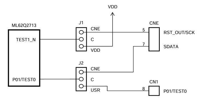
EASE1000 V2 Interface
PCB Layout
Publicerad: 2024-12-31
| Uppdaterad: 2025-01-29
