ROHM Semiconductor SLI-430x/SLD430x Through-Hole High Brightness LEDs
ROHM Semiconductor SLI-430x/SLD430x Through-Hole High Brightness LEDs offer a wide viewing angle and an oval lens. The SLI-430x/SLD430x increases center luminosity by condensing light sideways. The devices are available in a variety of colors.Features
- Oval lens
- Wide viewing angle (sideling)
- Center luminosity increased by condensing lights in sideways
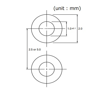
Dimensions
Recommended Solder Pattern
Publicerad: 2022-07-08
| Uppdaterad: 2022-07-11
