Texas Instruments TPS92542-Q1 Synchronous Boost Controller

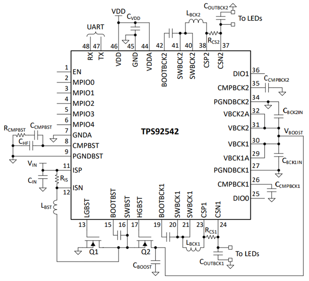
Texas Instruments TPS92542-Q1 Synchronous Boost Controller contains a synchronous boost controller and a two-channel monolithic synchronous buck LED driver with a wide operating buck input voltage range of 4.5V to 65V. The synchronous boost controller implements a peak current-mode controller to operate in constant voltage mode. The boost can be programmed to operate as dual-phase or three-phase with other TPS9254x devices. The output voltage can be programmed using a programmable 8-bit DAC. The boost controller incorporates a programmable frequency modulation technique for EMI reduction.

The monolithic synchronous buck implements an adaptive on-time average current mode control to generate a constant voltage (CV) or constant current (CC) output. The buck is compatible with shunt FET dimming techniques and LED matrix manager-based dynamic beam headlamps in the CC mode. In CV mode, the adaptive on-time control enables high bandwidth operation with a fast transient response. The control provides a near-constant switching frequency set between 100kHz and 1.0MHz. The inductor current sensing and closed-loop feedback enable better than ±4% accuracy over wide input voltage, output voltage, and ambient temperature range. In CC mode, the buck can independently modulate LED current using analog or PWM dimming techniques.

The UART serial interface is compatible with TPS9266x and TPS9254x devices. The internal EEPROM can store system defaults, calibration, and lighting module data. The five configurable MPIOs and two DIOs can be configured as digital inputs or outputs or as ADC inputs. The Texas Instruments TPS92542-Q1 is available in a 7.0mm × 7.0mm thermally enhanced 48-pin HTQFP package with a top-exposed pad.

Features

  • AEC-Q100 qualified for automotive applications
    • Grade 1 of –40°C to 125°C ambient operating temperature
    • Device HBM classification level H1C
    • Device CDM classification level C5
  • Functional safety-capable with documentation available to aid functional safety system design
  • 4.5V to 65V wide input voltage range
  • Two-channel synchronous Buck with integrated switches
  • Configurable constant voltage (CV) and constant current (CC) operation
    • Up to 2A continuous output current
    • 4% regulation accuracy (voltage and current mode)
  • Synchronous boost controller with programmable output voltage up to 65V
  • Boost and buck spread spectrum for EMI mitigation
  • Buck switch thermal protection
  • UART serial communication
    • Internal oscillator for system clock
    • LMM compatible
  • Internal EEPROM
    • Default settings
    • Customer calibration data

Applications

  • Automotive headlights
  • Adaptive LED driving modules

Schimplified Schematic

Schematic - Texas Instruments TPS92542-Q1 Synchronous Boost Controller
Publicerad: 2025-03-04 | Uppdaterad: 2025-12-17