Broadcom AELT-8000 Line Driver Eval Boards
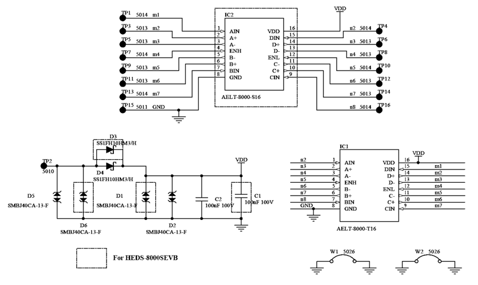
Broadcom AELT-8000 Line Driver Eval Boards allow users to evaluate the performance and features of the AELT-8000 line driver IC. Each test point is connected to the IC’s pins, and each evaluation board is prepopulated with a capacitor (which functions as a decoupling capacitor) and diodes (for reverse voltage protection and voltage clamping).The Broadcom HEDS-8000SEVB is mounted with the AELT-8000-S16 (SOIC-16) IC component. The HEDS-8000TEVB is mounted with the AELT-8000-T16 (TSSOP-16) IC component.
Features
- Operating frequency up to 5MHz
- 4.5V to 36V driver supply range
- Pin compatible to 26xx31, xx7272
- Short-circuit-proof tri-state outputs
- 80ns (typical) low propagation delay
- High-impedance CMOS-compatible and TTL-compatible buffered inputs with hysteresis
- -40°C to 125°C operating temperature range
- Over-temperature protection circuit
- Under-voltage monitoring
Applications
- Line driver for 5V to 36V control systems
- Rotary and linear encoder interfacing
- Industrial controls
- Sensor systems
Board Dimensions mm
Schematic
Layout
Publicerad: 2025-03-11
| Uppdaterad: 2025-03-17
