Semtech GS3590 Configurable Cable Equalizer/Cable Driver
Semtech GS3590 Configurable Adaptive Cable Equalizer/Cable Driver is a low-power and configurable multi-rate re-timing device. This device is designed to equalize or drive signals over 75Ω coaxial cable. The GS3590 equalizer achieves an extremely low output jitter even at extended cable/trace lengths. The integrated eye monitor provides a non-disruptive mission mode analysis and the 256 x 128 resolution scan matrix allows accurate signal analysis. The Semtech Configurable Adaptive Cable Equalizer/Cable Driver includes built-in macros that enable customizable cross-section analysis and quick horizontal and vertical eye-opening measurements.The GS3590 adaptive cable driver is pin-compatible with the GS12090 bidirectional 12G-SDI re-timing adaptive cable equalizer/cable driver. This GS3590 driver finds its applications in cameras, switchers, distribution amplifiers, and routers.
Features
- Single bidirectional 75Ω cable interface with on-chip termination
- SMPTE ST 424, ST 292-1, and ST 259 compliant input/output
- Multi-standard operation from 1Mb/s to 2.97Gb/s
- Supports re-timing for DVB-ASI at 270Mb/s and MADI at 125Mb/s
- 3D input signal eye monitor
- PRBS generator and checker
- Automatic cable equalizer
- Typical equalized cable lengths of Belden 1694A cable:
- 160m at 2.97Gb/s
- 240m at 1.485Gb/s
- 400m at 270Mb/s
- Single 1.8V power supply for analog and digital core
- 2.5V for cable driver output supply
- 1.2V, 1.8V, or 2.5V for trace driver output supply
- GSPI serial control and monitoring interface
- Four configurable GPIO pins for control or status monitoring
- -40ºC to 85ºC wide operating temperature range
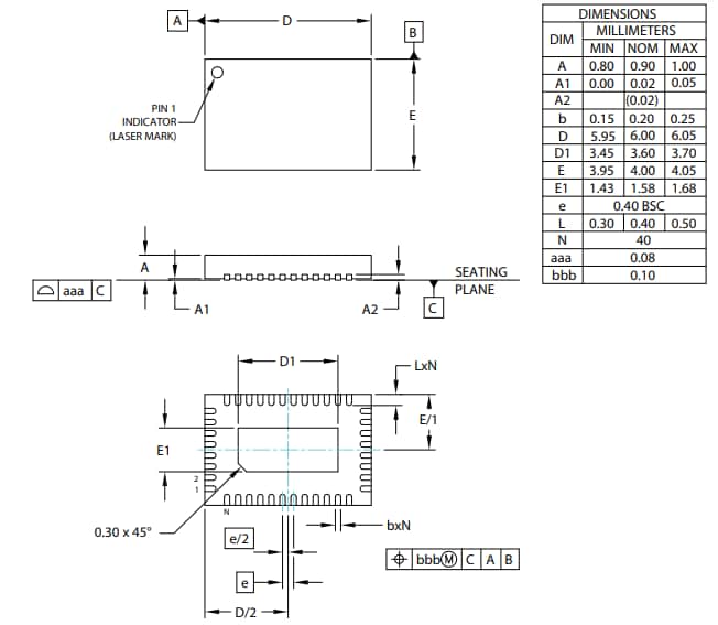
- Small 6mm x 4mm 40-pin QFN
- Pb-free/Halogen-free/RoHS, and WEEE compliant package
- Pin compatible with the GS12090
Applications
- Cameras
- Switchers
- Distribution amplifiers
- Routers
Block Diagram
GS3590 Dimensions
Publicerad: 2019-10-14
| Uppdaterad: 2023-06-14
