Semtech RClamp®0504FB Low Capacitance RClamp
Semtech RClamp®0504FB Low Capacitance RClamp for ESD and EOS Protection protects sensitive electronics from damage or latch-up due to transient surge events. Semtech RClamp0504FB offers fast response time, low operating and clamping voltage, and no device degradation. This RClamp device features high-quality ESD and EOS protection characteristics highlighted by low dynamic resistance and high surge capability. This Semtech RClamp device protects data (I/O) lines from EOS surge events as high as 14A (tp = 8/20μs). The TVS connection at pin 5 protects VBus lines to 28A (tp = 8/20μs). RClamp0504FB is ideal for USB 2.0, multimedia card, and video interface applications.Features
- ±24kV (contact) and ±30kV (air) per IEC 61000-4-2 ESD withstand voltage
- High EOS Surge capability
- Low ESD clamping voltage
- 5V working voltage
- 1.1pF typical (I/O to GND) capacitance
- 0.25Ω dynamic resistance
- Solid-state silicon-avalanche technology
Applications
- Monitors and flat panel displays
- Analog video lines
- LVDS lines
- USB 2.0/USB 3.0
- SIM ports
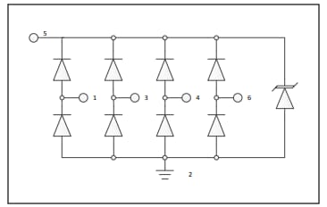
Circuit Diagram
Schematic
Publicerad: 2018-02-13
| Uppdaterad: 2023-05-17
