Gigavac GX34 350A Contactors
Gigavac GX34 350A Contactors offer low 12VDC, 24VDC, or 48VDC continuous coil power with no EMI emission or crosstalk on the system control power. These contactors come in a side-mount, compact package and are not position-sensitive, allowing easy installation on virtually any flat surface. GX34 contactors feature a rugged EPIC® seal with a high-temperature rating of +175°C, reducing the risk of fire or meltdown in overcurrent conditions. Hermetically sealed, these contactors meet various standards for numerous conditions, including an IP67 protection rating for up to 30 minutes of water immersion and an IP69K protection rating for pressure washing. Gigavac GX34 350A Contactors are constructed with stainless steel nuts, screws, washers, and mounting inserts, providing years of corrosion-free service.Features
- Side-mount, compact package
- Rugged EPIC seal
- Hermetically sealed
- High-efficiency dual DC coils
- Built-in coil suppressions for all DC coils
- Not position-sensitive
Specifications
- Seal rated up to +175°C
- 12VDC to 800VDC voltage range
- 12VDC, 24VDC, or 48VDC continuous coil power
- Stainless steel nuts, screws, washers, and mounting inserts
- 0.4mΩ maximum contact resistance
- 20ms maximum operating time
- 100MΩ insulation resistance
- -55°C to +85°C operating temperature range
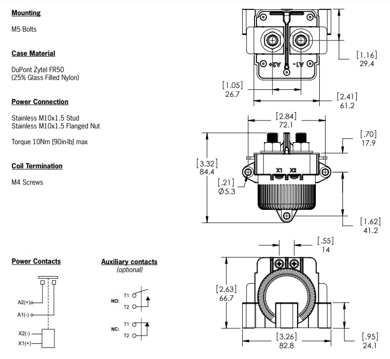
Dimensions
Publicerad: 2025-02-12
| Uppdaterad: 2025-03-26
