Allegro MicroSystems ACS71010 Hall-Effect Current Sensors

Allegro MicroSystems ACS71010 Hall-Effect Current Sensors are fully integrated into a factory-trimmed SOICW-16 package, providing high accuracy over the entire operating range without customer programming. Two Hall plates that subtract out interfering external common-mode magnetic fields sense the current differentially.

The SOICW-16 package structure supplies high isolation by magnetically coupling the field developed by the current in the conductor to the monolithic Hall sensor IC, which has no physical connection to the integrated current conductor. The MA package is optimized for increased isolation with a withstand voltage of 5000VRMS and 0.85mΩ conductor resistance.

The Allegro MicroSystems ACS71010 Hall-Effect Current Sensors have operational features that are externally configurable and robust without the necessity for programming. A fast overcurrent fault output equips short-circuit detection for system protection with a fault threshold that is proportional to the current range and can be set with an analog input. The reference pin delivers a stable voltage corresponding to the 0A output voltage. The reference voltage enables differential measurements and a device-referred voltage to set the overcurrent fault threshold.

The devices are RoHS compliant and lead (Pb) free with 100% matte-tin-plated lead frames.

Features

  • High operating bandwidth for fast control loops or where high-speed currents are monitored
    • 400kHz bandwidth
    • 1.1µs typical response time
  • High performance for optimized energy applications
    • <0.6% sensitivity error and ±4mV maximum offset voltage over temperature (3σ, -40° to +105°C)
    • Non-ratiometric operation with VREF output
    • Differential sensing for high immunity to external magnetic fields
    • No magnetic hysteresis
  • Adjustable fast overcurrent fault with 1µs typical response time
  • Low internal primary conductor resistance 0.85mΩ
  • UL 62368-1 (edition 3) certification, highly isolated compact SOICW-16 surface mount package
    • 5000VRMS withstand voltage
    • 1097VRMS/1550VDC basic insulation voltages
    • 565VRMS/800VDC reinforced insulation voltages
  • Optimized temperature range, -40°C to +105°C, with functional operation up to +125°C
  • Grade 2 AEC-Q100 automotive qualified (pending)

Applications

  • Solar (PV) inverters
  • PV monitoring
  • MPPT
  • EV charging
  • Energy Storage Systems (ESS)
  • Power supplies (UPS, SMPS)
  • DC/AC phase current sensing

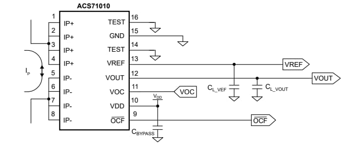
Typical Bidirectional Application

Application Circuit Diagram - Allegro MicroSystems ACS71010 Hall-Effect Current Sensors

Block Diagram

Block Diagram - Allegro MicroSystems ACS71010 Hall-Effect Current Sensors
Publicerad: 2025-06-18 | Uppdaterad: 2025-07-03